LEMON Manuals: Even more car manuals for everyone: 1960-2025
Home >> Lexus >> 2014 >> RX 350 F Sport >> Repair and Diagnosis >> Engine Performance >> System >> Engine Control System (Diagnostic Codes (P0010-P0354)) >> SFI System >> DTC P0112: Intake Air Temperature Circuit Low Input; DTC P0113: Intake Air Temperature Circuit High Input [08/2013 - ] >> Wiring Diagram
April 5, 2026: LEMON Manuals is launched! Read the announcement.

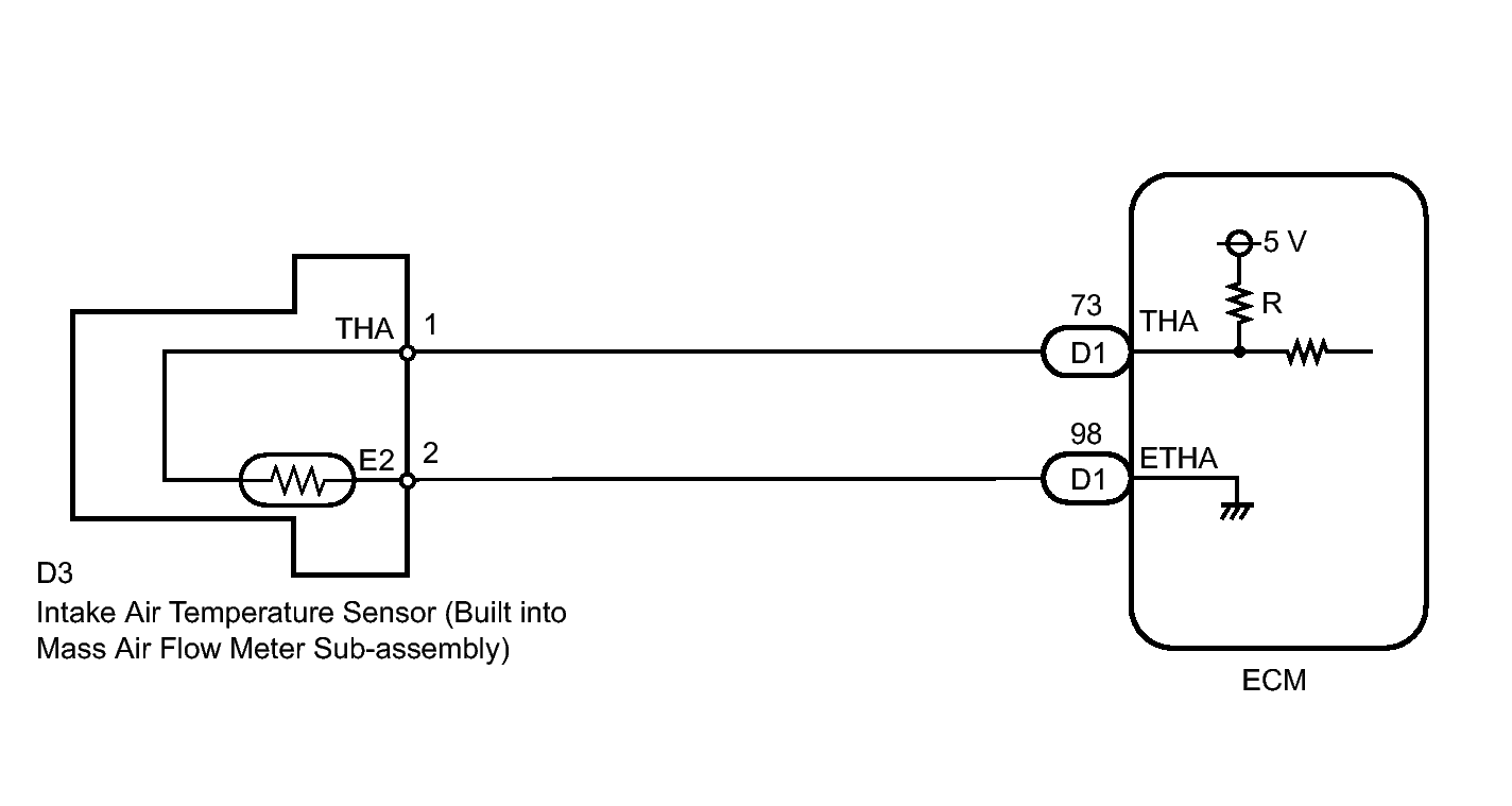
DTC P0112: Intake Air Temperature Circuit Low Input; DTC P0113: Intake Air Temperature Circuit High Input [08/2013 - ]: Wiring Diagram

Fig 1: Intake Air Temperature Sensor Wiring Diagram
GTY393410Courtesy of © TOYOTA, LICENSE AGREEMENT TMS1002