LEMON Manuals: Even more car manuals for everyone: 1960-2025
Home >> Lexus >> 2015 >> ES 350 >> Repair and Diagnosis >> Electrical >> Starter >> Smart Access System (For Start Function) - Diagnostic Codes & Symptom Tests >> SMART ACCESS SYSTEM WITH PUSH-BUTTON START (for Start Function) >> Symptom Tests >> Power Source Mode does not Change to ON (IG) [08/2014 - ] >> Wiring Diagram
April 5, 2026: LEMON Manuals is launched! Read the announcement.

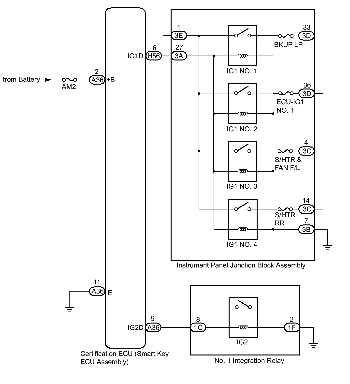
Power Source Mode does not Change to ON (IG) [08/2014 - ]: Wiring Diagram

Fig 1: Power Source ON (IG) Wiring Diagram
GTY468328Courtesy of © TOYOTA, LICENSE AGREEMENT TMS1002