LEMON Manuals: Even more car manuals for everyone: 1960-2025
Home >> Lexus >> 2015 >> GS 350 Base, AWD >> Repair and Diagnosis >> Engine Performance >> System >> Engine Control System - Diagnostic Codes (4 Of 4) & Circuit Tests >> SFI System >> Circuit Tests >> VC Output Circuit [09/2014 - 10/2015] >> Wiring Diagram
April 5, 2026: LEMON Manuals is launched! Read the announcement.

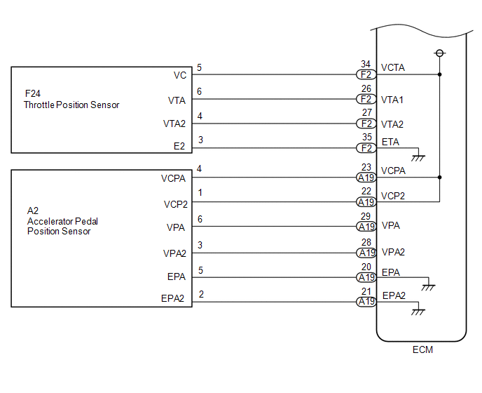
VC Output Circuit [09/2014 - 10/2015]: Wiring Diagram

GTY416451Courtesy of © TOYOTA, LICENSE AGREEMENT TMS1002
GTY633291Courtesy of © TOYOTA, LICENSE AGREEMENT TMS1002