LEMON Manuals: Even more car manuals for everyone: 1960-2025
Home >> Lexus >> 2015 >> GS 450h F Sport >> Repair and Diagnosis >> Body & Frame >> Door Locks >> Smart Access System With Push-Button Start (For Entry Function) (Diagnostics) (Introduction) >> SMART ACCESS SYSTEM WITH PUSH-BUTTON START(for Entry Function) >> System Diagram [09/2014 - 10/2015] >> System Diagram [09/2014 - 10/2015]
April 5, 2026: LEMON Manuals is launched! Read the announcement.

System Diagram [09/2014 - 10/2015]

  1. This is a detailed diagram related to power management control ECU.
Fig 1: Power Management Control ECU Wiring Diagram
GTY406049Courtesy of © TOYOTA, LICENSE AGREEMENT TMS1002
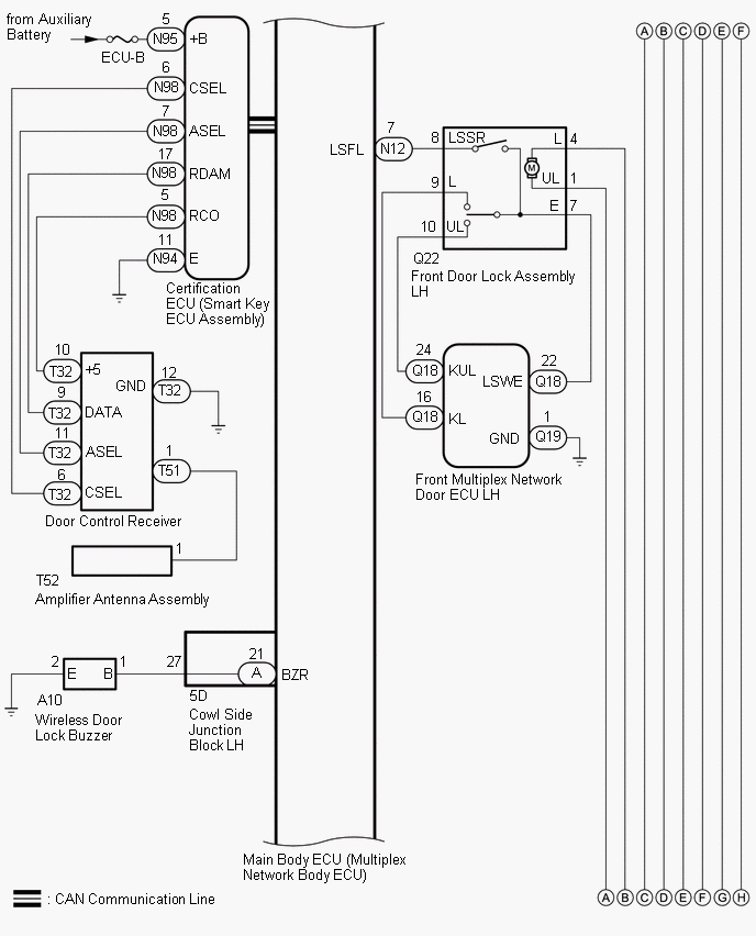
  1. This is a detailed diagram related to certification ECU (smart key ECU assembly).
Fig 2: Certification ECU Wiring Diagram (Smart Key ECU Assembly) (1 Of 3)
GTY395599Courtesy of © TOYOTA, LICENSE AGREEMENT TMS1002
Fig 3: Certification ECU Wiring Diagram (Smart Key ECU Assembly) (2 Of 3)
GTY406087Courtesy of © TOYOTA, LICENSE AGREEMENT TMS1002
Fig 4: Certification ECU Wiring Diagram (Smart Key ECU Assembly) (3 Of 3)
GTY526468Courtesy of © TOYOTA, LICENSE AGREEMENT TMS1002
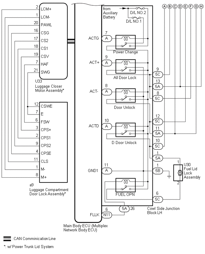
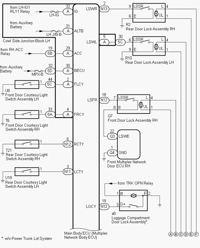
  1. This is a detailed diagram related to the main body ECU (multiplex network body ECU).
Fig 5: Main Body ECU System Diagram (1 Of 3)
GTY467069Courtesy of © TOYOTA, LICENSE AGREEMENT TMS1002
Fig 6: Main Body ECU System Diagram (2 Of 3)
GTY536284Courtesy of © TOYOTA, LICENSE AGREEMENT TMS1002
Fig 7: Main Body ECU System Diagram (3 Of 3)
GTY420180Courtesy of © TOYOTA, LICENSE AGREEMENT TMS1002
Component Function
Front door outside handle assembly LH/RH Receives request signals from the certification ECU (smart key ECU assembly) via the built-in electrical key antenna (front door) and forms the vehicle exterior detection area.
Uses the built-in touch sensor (lock sensor/unlock sensor) to detect the operation of the front door outside handle assembly and sends signals to the certification ECU (smart key ECU assembly).
Rear door outside handle assembly LH/RH Receives request signals from the certification ECU (smart key ECU assembly) via the built-in electrical key antenna (rear door) and forms the vehicle exterior detection area.
Uses the built-in touch sensor (lock sensor/unlock sensor) to detect the operation of the rear door outside handle assembly and sends signals to the certification ECU (smart key ECU assembly).
No. 1 indoor electrical key antenna assembly (front floor)
No. 2 indoor electrical key antenna assembly (rear floor)
Receives the request code from the certification ECU (smart key ECU assembly) and forms the vehicle interior detection area.
No. 3 indoor electrical key antenna assembly (inside luggage compartment) Receives the request code from the certification ECU (smart key ECU assembly) and forms the luggage compartment interior detection area.
Electrical key antenna (outside luggage) Receives the request code from the certification ECU (smart key ECU assembly) and forms the luggage compartment exterior detection area.
Luggage electrical key switch Sends switch operation signals to the certification ECU (smart key ECU assembly).
Door control receiver Receives the smart access system with push-button start code/wireless code sent from the electrical key transmitter sub-assembly and sends it to the certification ECU (smart key ECU assembly).
Wireless door lock buzzer Sounds when warning functions operate in accordance with certification ECU (smart key ECU assembly) control.
Electrical key transmitter sub-assembly Sends the ID code upon receiving a request signal.
Certification ECU (smart key ECU assembly) Sends request codes to each electrical key antenna.
Distinguishes and verifies the ID code from the electrical key transmitter sub-assembly and sends signals to each ECU in response to operated functions (controls entire system).
Performs encryption code communication with the steering lock ECU (steering lock actuator assembly) when ignition operations are performed.