LEMON Manuals: Even more car manuals for everyone: 1960-2025
Home >> Lexus >> 2015 >> IS 250 Base, RWD >> Repair and Diagnosis >> Suspension >> Suspension Control Systems >> Adaptive Variable Suspension System - Diagnostics - Introduction >> Adaptive Variable Suspension System >> System Diagram [10/2016 - 10/2017] >> System Diagram [10/2016 - 10/2017]
April 5, 2026: LEMON Manuals is launched! Read the announcement.

System Diagram [10/2016 - 10/2017]

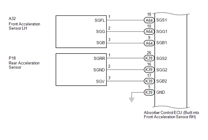
Fig 1: Adaptive Variable Suspension System Wiring Diagram (1 Of 3)
GTY468039Courtesy of © TOYOTA, LICENSE AGREEMENT TMS1002
Fig 2: Adaptive Variable Suspension System Wiring Diagram (2 Of 3)
GTY467818Courtesy of © TOYOTA, LICENSE AGREEMENT TMS1002
Fig 3: Adaptive Variable Suspension System Wiring Diagram (3 Of 3)
GTY625546Courtesy of © TOYOTA, LICENSE AGREEMENT TMS1002