LEMON Manuals: Even more car manuals for everyone: 1960-2025
Home >> Lexus >> 2015 >> IS 250C Base >> Repair and Diagnosis >> Accessories & Equipment >> Warning Systems >> Rear View Monitor System (Diagnostics) (Introduction) >> Rear View Monitor System >> System Diagram [08/2013 - ] >> System Diagram [08/2013 - ]
April 5, 2026: LEMON Manuals is launched! Read the announcement.

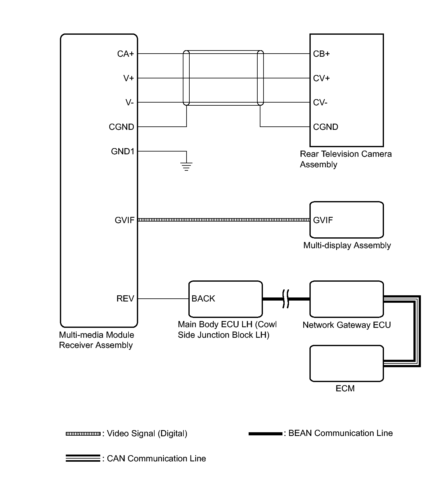
System Diagram [08/2013 - ]

Fig 1: Rear View Monitor System Diagram
GTY410975Courtesy of © TOYOTA, LICENSE AGREEMENT TMS1002
COMMUNICATION TABLE

Sender Receiver Signal Line
Multi-media Module Receiver Assembly Multi-display Assembly Video signal Digital
ECM Network Gateway ECU Shift position signal CAN Communication Line
Network Gateway ECU Main Body ECU LH (Cowl Side Junction Block LH) Shift position signal BEAN Communication Line