LEMON Manuals: Even more car manuals for everyone: 1960-2025
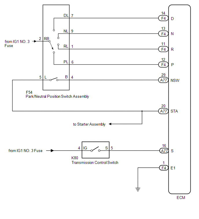
Home >> Lexus >> 2015 >> IS 350 Base, AWD >> Repair and Diagnosis >> Engine Performance >> System >> Engine Control System (2GR-FSE) - Diagnostic Codes (5 Of 6) >> SFI System >> DTC P0705: Transmission Range Sensor Circuit Malfunction (PRNDL Input) [04/2013 - 10/2017] >> Wiring Diagram
April 5, 2026: LEMON Manuals is launched! Read the announcement.

DTC P0705: Transmission Range Sensor Circuit Malfunction (PRNDL Input) [04/2013 - 10/2017]: Wiring Diagram

GTY467180Courtesy of © TOYOTA, LICENSE AGREEMENT TMS1002