LEMON Manuals: Even more car manuals for everyone: 1960-2025
Home >> Lexus >> 2015 >> IS 350 Base, AWD >> Repair and Diagnosis >> Steering >> Power Steering >> Variable Gear Ratio Steering System - Diagnostics - Introduction >> Variable Gear Ratio Steering System >> System Diagram [04/2013 - 10/2016] >> System Diagram [04/2013 - 10/2016]
April 5, 2026: LEMON Manuals is launched! Read the announcement.

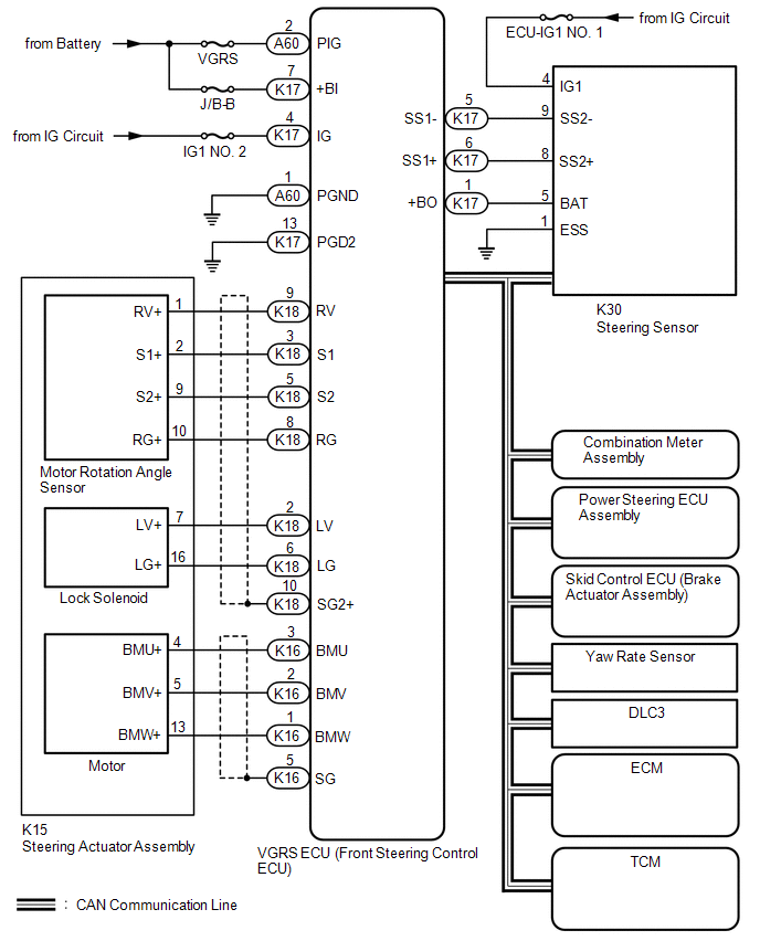
System Diagram [04/2013 - 10/2016]

Fig 1: Variable Gear Ratio Steering System Diagram
GTY458839Courtesy of © TOYOTA, LICENSE AGREEMENT TMS1002