LEMON Manuals: Even more car manuals for everyone: 1960-2025
Home >> Lexus >> 2015 >> IS 350 Base, RWD >> Repair and Diagnosis >> Restraints >> Restraints Control Systems >> Pre-Collision System - Diagnostic Codes (1 Of 2) >> Pre-Collision System >> DTC C1A4B: Stop Light Relay Circuit [10/2016 - 10/2017] >> Wiring Diagram
April 5, 2026: LEMON Manuals is launched! Read the announcement.

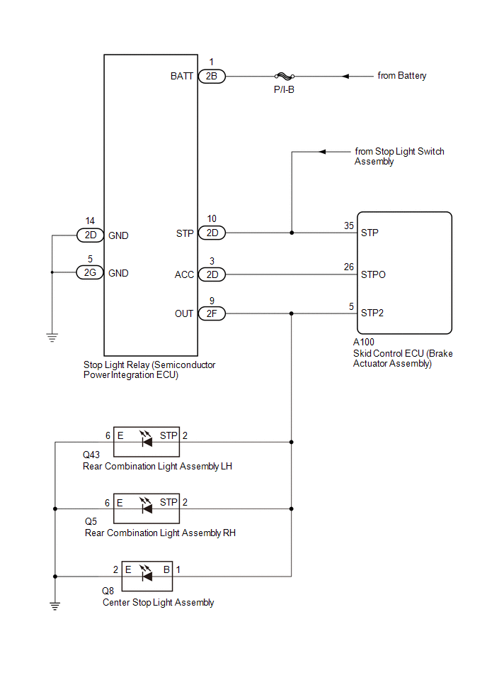
DTC C1A4B: Stop Light Relay Circuit [10/2016 - 10/2017]: Wiring Diagram

GTY629445Courtesy of © TOYOTA, LICENSE AGREEMENT TMS1002