LEMON Manuals: Even more car manuals for everyone: 1960-2025
Home >> Lexus >> 2015 >> LS 460 Base, AWD >> Repair and Diagnosis >> Engine Performance >> Testing & Diagnosis >> Engine Control System (Diagnostic Codes P0340-P1366) >> SFI System >> DTC P0705: Transmission Range Sensor Circuit (PRNDL Input) [10/2014 - ] >> Wiring Diagram
April 5, 2026: LEMON Manuals is launched! Read the announcement.

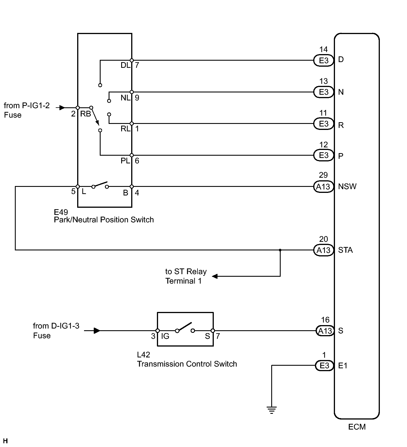
DTC P0705: Transmission Range Sensor Circuit (PRNDL Input) [10/2014 - ]: Wiring Diagram

Fig 1: Park/Neutral Position Switch Wiring Diagram
GTY462851Courtesy of © TOYOTA, LICENSE AGREEMENT TMS1002