LEMON Manuals: Even more car manuals for everyone: 1960-2025
Home >> Lexus >> 2015 >> NX 200t Base, AWD >> Repair and Diagnosis >> Engine Performance >> Testing & Diagnosis >> Engine Control System - Diagnostics - Introduction (1 Of 4) >> SFI System >> System Diagram [10/2014 - 05/2019] >> System Diagram [10/2014 - 05/2019]
April 5, 2026: LEMON Manuals is launched! Read the announcement.

System Diagram [10/2014 - 05/2019]

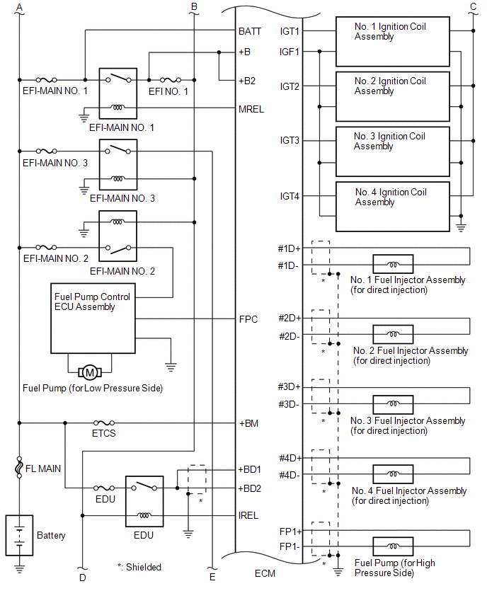
Fig 1: SFI System Wiring Diagram [10/2014 - 05/2019] (1 Of 5)
GTY506143Courtesy of © TOYOTA, LICENSE AGREEMENT TMS1002
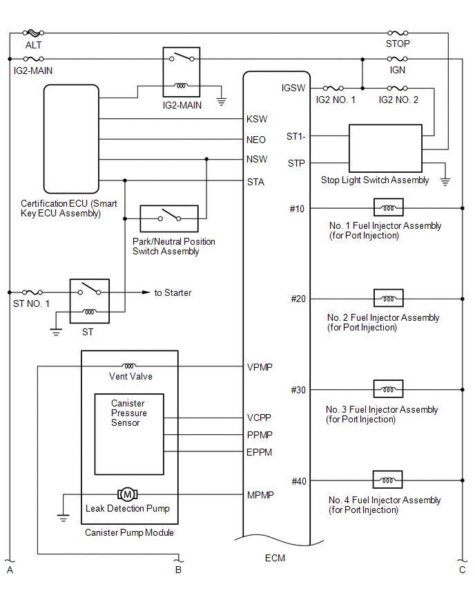
Fig 2: SFI System Wiring Diagram [10/2014 - 05/2019] (2 Of 5)
GTY505402Courtesy of © TOYOTA, LICENSE AGREEMENT TMS1002
Fig 3: SFI System Wiring Diagram [10/2014 - 05/2019] (3 Of 5)
GTY521441Courtesy of © TOYOTA, LICENSE AGREEMENT TMS1002
Fig 4: SFI System Wiring Diagram [10/2014 - 05/2019] (4 Of 5)
GTY507851Courtesy of © TOYOTA, LICENSE AGREEMENT TMS1002
Fig 5: SFI System Wiring Diagram [10/2014 - 05/2019] (5 Of 5)
GTY499121Courtesy of © TOYOTA, LICENSE AGREEMENT TMS1002