LEMON Manuals: Even more car manuals for everyone: 1960-2025
Home >> Lexus >> 2015 >> NX 300h FWD >> Repair and Diagnosis >> Body & Frame >> Door Locks >> Power Door Lock Control System - Diagnostics - Introduction >> Power Door Lock Control System >> System Diagram [09/2016 - 01/2019] >> System Diagram [09/2016 - 01/2019]
April 5, 2026: LEMON Manuals is launched! Read the announcement.

System Diagram [09/2016 - 01/2019]

  1. Power Door Lock Control System 
    Fig 1: Power Door Lock Control System Wiring Diagram (1 Of 5)
    GTY513539Courtesy of © TOYOTA, LICENSE AGREEMENT TMS1002
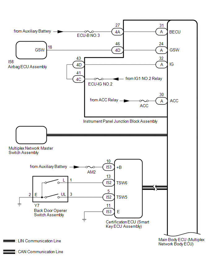
    Fig 2: Power Door Lock Control System Wiring Diagram (2 Of 5)
    GTY497818Courtesy of © TOYOTA, LICENSE AGREEMENT TMS1002
    Fig 3: Power Door Lock Control System Wiring Diagram (3 Of 5)
    GTY501518Courtesy of © TOYOTA, LICENSE AGREEMENT TMS1002
    Fig 4: Power Door Lock Control System Wiring Diagram (4 Of 5)
    GTY678987Courtesy of © TOYOTA, LICENSE AGREEMENT TMS1002
    Fig 5: Power Door Lock Control System Wiring Diagram (5 Of 5)
    GTY519778Courtesy of © TOYOTA, LICENSE AGREEMENT TMS1002