LEMON Manuals: Even more car manuals for everyone: 1960-2025
Home >> Lexus >> 2015 >> RC 350 Base, AWD >> Repair and Diagnosis >> Engine Performance >> System >> Engine Control System (2GR-FSE) - Diagnostic Codes (1 Of 5) >> SFI System >> DTC P0115: Engine Coolant Temperature Circuit; DTC P0117: Engine Coolant Temperature Circuit Low Input; DTC P0118: Engine Coolant Temperature Circuit High Input [09/2014 - 11/2017] >> Procedure
April 5, 2026: LEMON Manuals is launched! Read the announcement.

DTC P0115: Engine Coolant Temperature Circuit; DTC P0117: Engine Coolant Temperature Circuit Low Input; DTC P0118: Engine Coolant Temperature Circuit High Input [09/2014 - 11/2017]: Procedure

  1. READ VALUE USING TECHSTREAM (COOLANT TEMP) 
    1. Connect the Techstream to the DLC3.
    2. Turn the engine switch on (IG).
    3. Turn the Techstream on.
    4. Enter the following menus: Powertrain / Engine and ECT / Data List / Primary / Coolant Temp.

      Powertrain > Engine > Data List 

      Tester Display
      Coolant Temp
    5. Read the value displayed on the Techstream.

      Standard Value

      Between 75 and 100°C (167 and 212°F) with warm engine.

      Result

      Result Proceed to
      -40°C (-40°F) A
      Higher than 135°C (275°F) B
      Between 75 and 100°C (167 and 212°F) C

      HINT: 

      • If there is an open circuit, the Techstream indicates -40°C (-40°F).
      • If there is a short circuit, the Techstream indicates higher than 135°C (275°F).

    Result: 

    See step  4

    Result: 

    CHECK FOR INTERMITTENT PROBLEMS. Refer to  CHECK FOR INTERMITTENT PROBLEMS [09/2014 - 11/2017] 

    Result: 

    See step  2

  2. READ VALUE USING TECHSTREAM (CHECK FOR OPEN IN WIRE HARNESS) 
    1. Disconnect the engine coolant temperature sensor connector.
      GTY512373Courtesy of © TOYOTA, LICENSE AGREEMENT TMS1002
      *1 Engine Coolant Temperature Sensor *2 ECM
      *a Front view of wire harness connector
      (to Engine Coolant Temperature Sensor)
      - -
    2. Connect terminals 1 and 2 of the engine coolant temperature sensor connector on the wire harness side.
    3. Connect the Techstream to the DLC3.
    4. Turn the engine switch on (IG).
    5. Turn the Techstream on.
    6. Enter the following menus: Powertrain / Engine and ECT / Data List / Primary / Coolant Temp.

      Powertrain > Engine > Data List 

      Tester Display
      Coolant Temp
    7. Read the value displayed on the Techstream.

      Standard Value

      Higher than 135°C (275°F)

      HINT: 

      Perform "Inspection After Repair" after replacing the engine coolant temperature sensor.

      Refer to INITIALIZATION [09/2014 - 11/2017]

      Result

      Proceed to
      OK
      NG

    Result: 

    OK 

    REPLACE ENGINE COOLANT TEMPERATURE SENSOR. Refer to  REMOVAL [09/2014 - 11/2017] 

    Result: 

    NG 

    See step  3

  3. CHECK HARNESS AND CONNECTOR (ENGINE COOLANT TEMPERATURE SENSOR - ECM) 
    1. Disconnect the engine coolant temperature sensor connector.
    2. Disconnect the ECM connector.
    3. Measure the resistance according to the value(s) in the table below.

      Standard Resistance

      Tester Connection Condition Specified Condition
      F49-2 - F1-19 (THW) Always Below 1 Ω
      F49-1 - F1-28 (E2) Always Below 1 Ω

      Result

      Proceed to
      OK
      NG

    Result: 

    OK 

    REPLACE ECM. Refer to  REMOVAL [09/2014 - 11/2017] 

    Result: 

    NG 

    REPAIR OR REPLACE HARNESS OR CONNECTOR 

  4. READ VALUE USING TECHSTREAM (CHECK FOR SHORT IN WIRE HARNESS) 
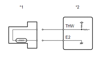
    GTY457610Courtesy of © TOYOTA, LICENSE AGREEMENT TMS1002
    *1 Engine Coolant Temperature Sensor
    *2 ECM
    1. Disconnect the engine coolant temperature sensor connector.
    2. Connect the Techstream to the DLC3.
    3. Turn the engine switch on (IG).
    4. Turn the Techstream on.
    5. Enter the following menus: Powertrain / Engine and ECT / Data List / Primary / Coolant Temp.

      Powertrain > Engine > Data List 

      Tester Display
      Coolant Temp
    6. Read the value displayed on the Techstream.

      Standard Value

      -40°C (-40°F)

      HINT: 

      Perform "Inspection After Repair" after replacing the engine coolant temperature sensor.

      Refer to INITIALIZATION [09/2014 - 11/2017]

      Result

      Proceed to
      OK
      NG

    Result: 

    OK 

    REPLACE ENGINE COOLANT TEMPERATURE SENSOR. Refer to  REMOVAL [09/2014 - 11/2017] 

    Result: 

    NG 

    See step  5

  5. CHECK HARNESS AND CONNECTOR (ENGINE COOLANT TEMPERATURE SENSOR - ECM) 
    1. Disconnect the engine coolant temperature sensor connector.
    2. Disconnect the ECM connector.
    3. Measure the resistance according to the value(s) in the table below.

      Standard Resistance

      Tester Connection Condition Specified Condition
      F49-2 or F1-19 (THW) - Body ground Always 10 kΩ or higher

      Result

      Proceed to
      OK
      NG

    Result: 

    OK 

    REPLACE ECM. Refer to  REMOVAL [09/2014 - 11/2017] 

    Result: 

    NG 

    REPAIR OR REPLACE HARNESS OR CONNECTOR