LEMON Manuals: Even more car manuals for everyone: 1960-2025
Home >> Lexus >> 2015 >> RC 350 F Sport, AWD >> Repair and Diagnosis >> Body & Frame >> Seats >> Front Power Seat Control System - Diagnostics - Introduction >> Front Power Seat Control System >> System Diagram [09/2014 - ] >> System Diagram [09/2014 - ]
April 5, 2026: LEMON Manuals is launched! Read the announcement.

System Diagram [09/2014 - ]

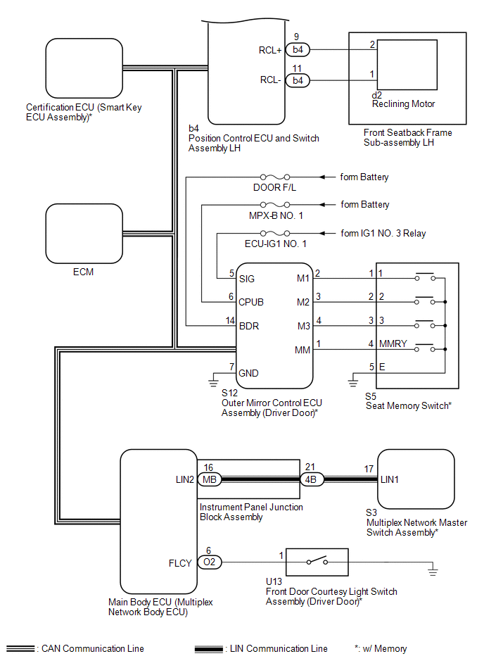
  1. for Driver Seat 
    GTY497927Courtesy of © TOYOTA, LICENSE AGREEMENT TMS1002
    GTY501698Courtesy of © TOYOTA, LICENSE AGREEMENT TMS1002
    COMMUNICATION TABLE

    Sender Receiver Signal Line
    ECM Main Body ECU (Multiplex Network Body ECU)
    • Transmission information
    • Shift position P signal
    CAN
    Outer Mirror Control ECU Assembly (Driver Door) Main Body ECU (Multiplex Network Body ECU)
    • M1 switch signal
    • M2 switch signal
    • M3 switch signal
    • SET switch signal
    CAN
    Main Body ECU (Multiplex Network Body ECU) Position Control ECU and Switch Assembly LH
    • Shift position P signal
    • Vehicle speed signal
    • Transmission information
    • Driving position buzzer request
    • Driver seat position request
    • Driver seat position data
    CAN
    Certification ECU (Smart Key ECU Assembly) Main Body ECU (Multiplex Network Body ECU)
    • Engine switch signal
    • Memory call replay request
    • Key identification No. 1 to No. 7 acquisition condition
    CAN
    Position Control ECU and Switch Assembly LH Main Body ECU (Multiplex Network Body ECU)
    • State signal of driver seat
    • State signal of driving position buzzer
    CAN
    Multiplex Network Master Switch Assembly Main Body ECU (Multiplex Network Body ECU) Door control switch signal LIN
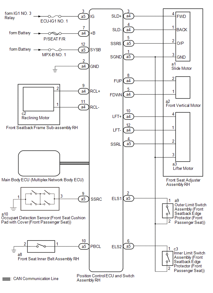
  2. for Front Passenger Seat 
    GTY512062Courtesy of © TOYOTA, LICENSE AGREEMENT TMS1002
    COMMUNICATION TABLE

    Sender Receiver Signal Line
    ECM Main Body ECU (Multiplex Network Body ECU)
    • Transmission information
    • Shift position P signal
    CAN
    Main Body ECU (Multiplex Network Body ECU) Position Control ECU and Switch Assembly RH
    • Shift position P signal
    • Vehicle speed signal
    • Transmission information
    • Front passenger seat position request
    • Front passenger seat position data
    CAN