LEMON Manuals: Even more car manuals for everyone: 1960-2025
Home >> Lexus >> 2015 >> RC 350 F Sport, AWD >> Repair and Diagnosis >> Engine Performance >> System >> Engine Control System (2GR-FSE) - Diagnostics - Introduction (1 Of 3) >> SFI System >> System Diagram [09/2014 - 10/2015] >> System Diagram [09/2014 - 10/2015]
April 5, 2026: LEMON Manuals is launched! Read the announcement.

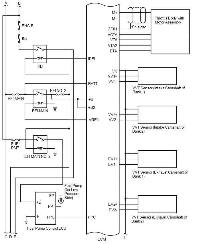
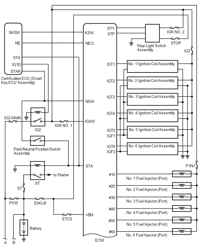
System Diagram [09/2014 - 10/2015]

GTY513634Courtesy of © TOYOTA, LICENSE AGREEMENT TMS1002
GTY502814Courtesy of © TOYOTA, LICENSE AGREEMENT TMS1002
GTY497832Courtesy of © TOYOTA, LICENSE AGREEMENT TMS1002
GTY466768Courtesy of © TOYOTA, LICENSE AGREEMENT TMS1002
GTY515837Courtesy of © TOYOTA, LICENSE AGREEMENT TMS1002
GTY506829Courtesy of © TOYOTA, LICENSE AGREEMENT TMS1002