LEMON Manuals: Even more car manuals for everyone: 1960-2025
Home >> Lexus >> 2015 >> RC F >> Repair and Diagnosis >> Accessories & Equipment >> Seats >> Front Power Seat Control System - Diagnostics - Introduction >> Front Power Seat Control System >> System Diagram [09/2014 - ] >> System Diagram [09/2014 - ]
April 5, 2026: LEMON Manuals is launched! Read the announcement.

System Diagram [09/2014 - ]

  1. for Driver Seat 
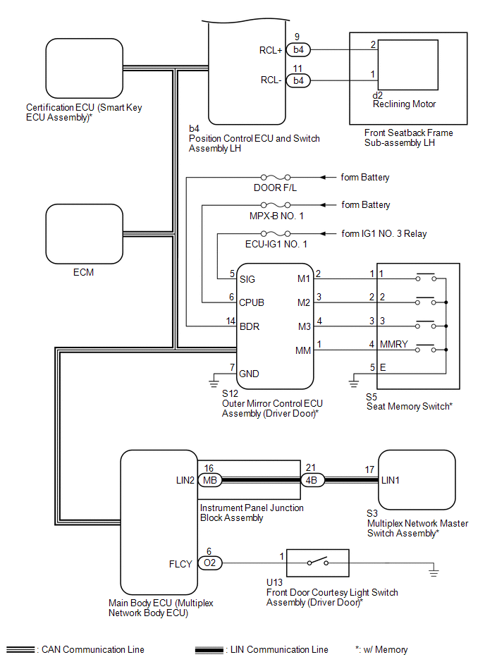
    Fig 1: Front Power Seat Control System Diagram - For Driver Seat (1 Of 2)
    GTY517586Courtesy of © TOYOTA, LICENSE AGREEMENT TMS1002
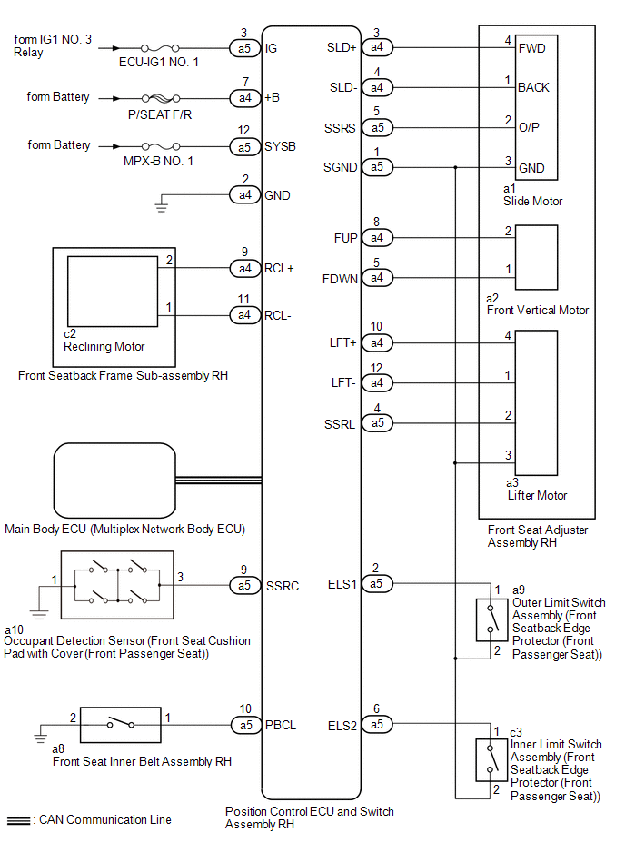
    Fig 2: Front Power Seat Control System Diagram - For Driver Seat (2 Of 2)
    GTY518424Courtesy of © TOYOTA, LICENSE AGREEMENT TMS1002
    COMMUNICATION TABLE

    Sender Receiver Signal Line
    ECM Main Body ECU (Multiplex Network Body ECU)
    • Transmission information
    • Shift position P signal
    CAN
    Outer Mirror Control ECU Assembly (Driver Door) Main Body ECU (Multiplex Network Body ECU)
    • M1 switch signal
    • M2 switch signal
    • M3 switch signal
    • SET switch signal
    CAN
    Main Body ECU (Multiplex Network Body ECU) Position Control ECU and Switch Assembly LH
    • Shift position P signal
    • Vehicle speed signal
    • Transmission information
    • Driving position buzzer request
    • Driver seat position request
    • Driver seat position data
    CAN
    Certification ECU (Smart Key ECU Assembly) Main Body ECU (Multiplex Network Body ECU)
    • Engine switch signal
    • Memory call replay request
    • Key identification No. 1 to No. 7 acquisition condition
    CAN
    Position Control ECU and Switch Assembly LH Main Body ECU (Multiplex Network Body ECU)
    • State signal of driver seat
    • State signal of driving position buzzer
    CAN
    Multiplex Network Master Switch Assembly Main Body ECU (Multiplex Network Body ECU) Door control switch signal LIN
  2. for Front Passenger Seat 
    Fig 3: Front Power Seat Control System Diagram - For Front Passenger Seat
    GTY512063Courtesy of © TOYOTA, LICENSE AGREEMENT TMS1002
    COMMUNICATION TABLE

    Sender Receiver Signal Line
    ECM Main Body ECU (Multiplex Network Body ECU)
    • Transmission information
    • Shift position P signal
    CAN
    Main Body ECU (Multiplex Network Body ECU) Position Control ECU and Switch Assembly RH
    • Shift position P signal
    • Vehicle speed signal
    • Transmission information
    • Front passenger seat position request
    • Front passenger seat position data
    CAN