LEMON Manuals: Even more car manuals for everyone: 1960-2025
Home >> Lexus >> 2016 >> GX 460 Base >> Repair and Diagnosis >> Accessories & Equipment >> Anti-Theft Systems >> Smart Access System (Start Function) (Diagnostics - Introduction) >> SMART ACCESS SYSTEM WITH PUSH-BUTTON START (for Start Function) >> System Diagram [08/2015 - 08/2019] >> System Diagram [08/2015 - 08/2019]
April 5, 2026: LEMON Manuals is launched! Read the announcement.

System Diagram [08/2015 - 08/2019]

Fig 1: Smart Access System With Push-Button Start (For Start Function) System Diagram (1 Of 4)
GTY620866Courtesy of © TOYOTA, LICENSE AGREEMENT TMS1002
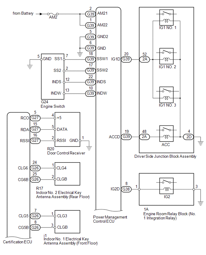
Fig 2: Smart Access System With Push-Button Start (For Start Function) System Diagram (2 Of 4)
GTY646701Courtesy of © TOYOTA, LICENSE AGREEMENT TMS1002
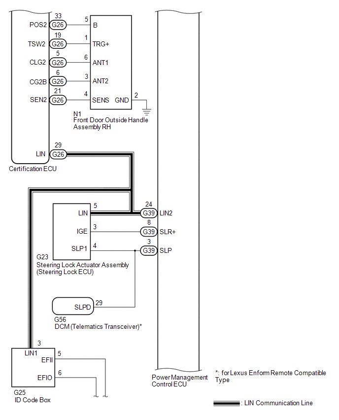
Fig 3: Smart Access System With Push-Button Start (For Start Function) System Diagram (3 Of 4)
GTY615404Courtesy of © TOYOTA, LICENSE AGREEMENT TMS1002
Fig 4: Smart Access System With Push-Button Start (For Start Function) System Diagram (4 Of 4)
GTY265421Courtesy of © TOYOTA, LICENSE AGREEMENT TMS1002
Component Outline
Engine switch
  • Turns on the power and starts the engine.
  • Contains an indicator to indicate when the engine can be started.
  • Contains a built-in transponder key amplifier to start the engine when the key does not operate properly due to a depleted battery or wave interference.
Certification ECU
  • Performs key verification.
  • Controls the electrical key antenna (outside), electrical key antenna (indoor) and door lock/unlock sensor.
  • Receives the open signal from the back door opener switch and outputs a signal to the main body ECU via CAN communication.
  • Outputs smart entry door lock/unlock commands.
  • Outputs steering lock actuator assembly lock/unlock command signals.
  • Outputs immobiliser set/unset commands.
  • Controls the security indicator light and engine switch indicator.
  • Forms the smart entry detection area.
ID code box
  • Receives command signals from the certification ECU and outputs immobiliser set and unset command signals to the ECM.
  • Records codes for smart verification.
Power management control ECU
  • Changes the power source mode by operating the ACC and IG relays.
  • Controls starting by operating the starter relay.
  • Controls the engine switch indicator.
Wireless door lock buzzer
  • Sounds the answer back when smart entry or wireless control operations are performed.
  • Sounds the warnings for smart entry and wireless control.
ECM
  • Outputs a signal indicating that the engine has started to the power management control ECU when starting the engine.
  • Outputs a shift position signal to the main body ECU.
Steering lock actuator assembly (steering lock ECU)
  • Receives command signals from the certification ECU and activates the steering lock actuator assembly.
  • Records codes for smart verification.
Combination meter
  • Operates various warnings (messages on the multi-information display, sounding of the buzzer in the combination meter, blinking or illumination of the master warning light) according to the command signals from the certification ECU.
  • Displays information when the smart access system with push-button start has a malfunction.
  • Outputs a vehicle speed signal to the main body ECU.
Security indicator light Blinks when the engine immobiliser system is set (the engine cannot be started) according to certification ECU control (immobiliser function).
IG, ACC relay Turns on/off according to power management control ECU control and provides power to each system.
Stop light switch assembly Detects that the brake pedal has been depressed (switch is on) and outputs a signal to the power management control ECU.
Turn signal flasher assembly Blinks the hazard warning lights during answer back according to main body ECU control (answer back function).
Front door outside handle assembly LH/RH Sends request signals from the door electrical oscillator via the built-in electrical key antenna and forms the vehicle exterior detection area. Sends door lock switch operation signals to the certification ECU (entry lock function).
Uses the built-in touch sensor to detect the operation of the front door outside handle assembly and sends signals to the certification ECU (entry unlock function).
Door electrical oscillator Sends request signals from the certification ECU to the electrical key antenna built into the front door outside handle assembly.
No. 1 indoor electrical key antenna assembly (front floor)
No. 2 indoor electrical key antenna assembly (rear floor)
Sends the request code from the certification ECU and forms the vehicle interior detection area.
No. 3 indoor electrical key antenna assembly (inside luggage) Sends the request code from the certification ECU and forms the luggage compartment interior detection area.
Electrical key antenna (outside luggage) Sends the request code from the certification ECU and forms the luggage compartment exterior detection area.
Back door electrical key switch Sends switch operation signals to the certification ECU.
Door control receiver Receives the smart access system with push-button start code/ wireless code sent from the key and sends it to the certification ECU.
Wireless door lock buzzer Sounds when performing answer-back or when warning functions operate in accordance with certification ECU control.
Electrical key Sends the ID code upon receiving a request signal.
Certification ECU Sends request codes to each electrical key antenna. Distinguishes and verifies the ID code from the key and sends signals to each ECU in response to operated functions (controls entire system).
Performs encryption code communication with the ID code box when ignition operations are performed.