LEMON Manuals: Even more car manuals for everyone: 1960-2025
Home >> Lexus >> 2016 >> GX 460 Base >> Repair and Diagnosis >> Engine Performance >> Testing & Diagnosis >> Engine Control System (Diagnostics - Introduction) (1 Of 4) >> SFI System >> System Diagram [08/2019 - ] >> System Diagram [08/2019 - ]
April 5, 2026: LEMON Manuals is launched! Read the announcement.

System Diagram [08/2019 - ]

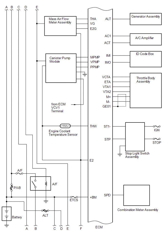
Fig 1: SFI System Diagram (1 Of 6)
GTY947813Courtesy of © TOYOTA, LICENSE AGREEMENT TMS1002
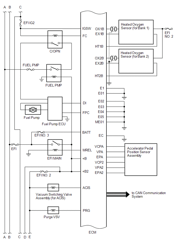
Fig 2: SFI System Diagram (2 Of 6)
GTY947277Courtesy of © TOYOTA, LICENSE AGREEMENT TMS1002
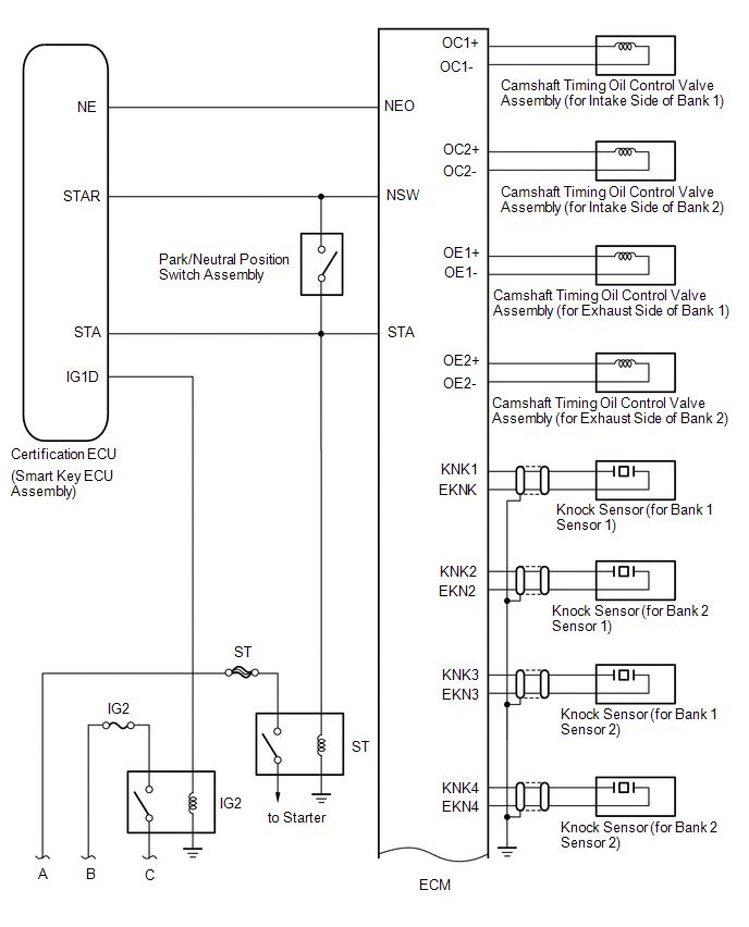
Fig 3: SFI System Diagram (3 Of 6)
GTY947365Courtesy of © TOYOTA, LICENSE AGREEMENT TMS1002
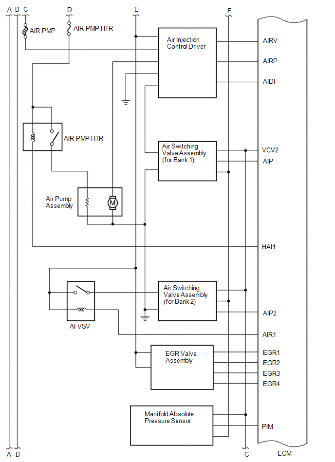
Fig 4: SFI System Diagram (4 Of 6)
GTY947777Courtesy of © TOYOTA, LICENSE AGREEMENT TMS1002
Fig 5: SFI System Diagram (5 Of 6)
GTY947380Courtesy of © TOYOTA, LICENSE AGREEMENT TMS1002
Fig 6: SFI System Diagram (6 Of 6)
GTY948094Courtesy of © TOYOTA, LICENSE AGREEMENT TMS1002