LEMON Manuals: Even more car manuals for everyone: 1960-2025
Home >> Lexus >> 2016 >> LX 570 >> Repair and Diagnosis >> Engine Performance >> Testing & Diagnosis >> Engine Control System - Diagnostic Codes (4 Of 7) >> SFI System >> DTC P0705: Transmission Range Sensor Circuit (PRNDL Input) [09/2015 - 08/2017] >> Wiring Diagram
April 5, 2026: LEMON Manuals is launched! Read the announcement.

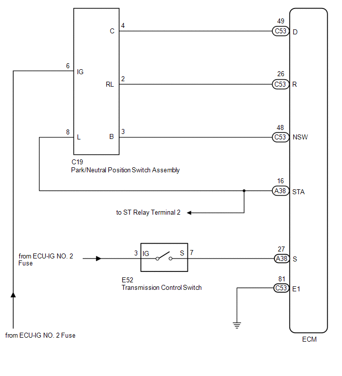
DTC P0705: Transmission Range Sensor Circuit (PRNDL Input) [09/2015 - 08/2017]: Wiring Diagram

GTY632374Courtesy of © TOYOTA, LICENSE AGREEMENT TMS1002