LEMON Manuals: Even more car manuals for everyone: 1960-2025
Home >> Lexus >> 2016 >> RC F >> Repair and Diagnosis >> External Pages >> Different car >> Section 2 (Adaptive Variable Suspension System - Diagnostics - Introduction) >> Adaptive Variable Suspension System >> System Diagram [01/2023 - ] >> System Diagram [01/2023 - ]
April 5, 2026: LEMON Manuals is launched! Read the announcement.

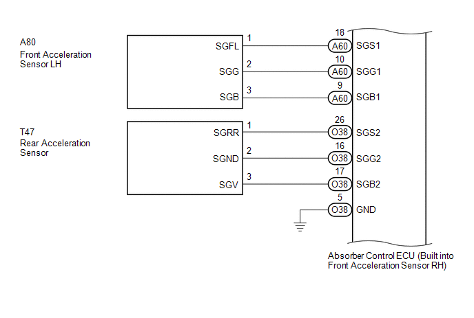
System Diagram [01/2023 - ]

WARNING: This page does not describe the selected car, but rather 8 other vehicles, including the 2024 Lexus RC F, 2023 Lexus RC F, 2022 Lexus RC F, 2021 Lexus RC F, and 2020 Lexus RC F. However, it is still accessible from the selected car via links, so may be relevant.
GTY516194Courtesy of © TOYOTA, LICENSE AGREEMENT TMS1002
GTY1170196Courtesy of © TOYOTA, LICENSE AGREEMENT TMS1002
GTY1175479Courtesy of © TOYOTA, LICENSE AGREEMENT TMS1002