LEMON Manuals: Even more car manuals for everyone: 1960-2025
Home >> Lexus >> 2016 >> RX 350 Base, FWD >> Repair and Diagnosis >> Body & Frame >> Windows >> Power Window Control System - Diagnostic Codes & Symptom Tests >> Power Window Control System >> Driver Side Power Window does not Operate with Power Window Master Switch [09/2015 - ] >> Wiring Diagram
April 5, 2026: LEMON Manuals is launched! Read the announcement.

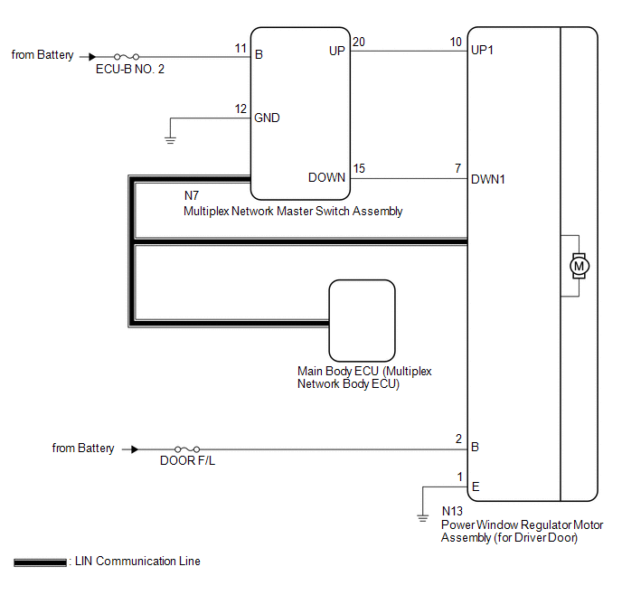
Driver Side Power Window does not Operate with Power Window Master Switch [09/2015 - ]: Wiring Diagram

GTY639143Courtesy of © TOYOTA, LICENSE AGREEMENT TMS1002