LEMON Manuals: Even more car manuals for everyone: 1960-2025
Home >> Lexus >> 2017 >> CT 200h Base >> Repair and Diagnosis >> Engine Performance >> System >> Engine Control System (Diagnostic Codes (3 Of 3) & Circuit Tests) >> SFI System >> Circuit Tests >> ECM Power Source Circuit [08/2014 - ] >> Wiring Diagram
April 5, 2026: LEMON Manuals is launched! Read the announcement.

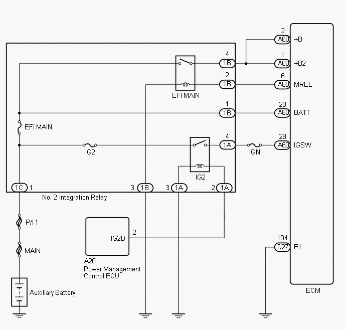
ECM Power Source Circuit [08/2014 - ]: Wiring Diagram

Fig 1: ECM Power Source Circuit Wiring Diagram
GTY394881Courtesy of © TOYOTA, LICENSE AGREEMENT TMS1002