LEMON Manuals: Even more car manuals for everyone: 1960-2025
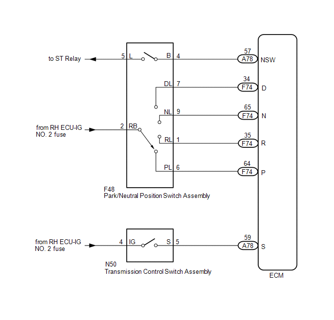
Home >> Lexus >> 2017 >> GS 200t Base >> Repair and Diagnosis >> Engine Performance >> Testing & Diagnosis >> Engine Control System - Diagnostic Codes (2 Of 5) >> SFI System >> DTC P0705-13: Transmission Range Sensor "A" Circuit Open; DTC P070562: Transmission Range Sensor "A" Signal Compare Failure [10/2015 - ] >> Wiring Diagram
April 5, 2026: LEMON Manuals is launched! Read the announcement.

DTC P0705-13: Transmission Range Sensor "A" Circuit Open; DTC P070562: Transmission Range Sensor "A" Signal Compare Failure [10/2015 - ]: Wiring Diagram

GTY664134Courtesy of © TOYOTA, LICENSE AGREEMENT TMS1002