LEMON Manuals: Even more car manuals for everyone: 1960-2025
Home >> Lexus >> 2017 >> GS 350 Base, AWD >> Repair and Diagnosis (Single Page) >> External Pages >> Different car >> Section 14 (Engine Control System - Diagnostics - Introduction) >> SFI System >> System Diagram [09/2014 - 10/2015] >> System Diagram [09/2014 - 10/2015]
April 5, 2026: LEMON Manuals is launched! Read the announcement.

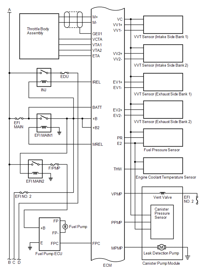
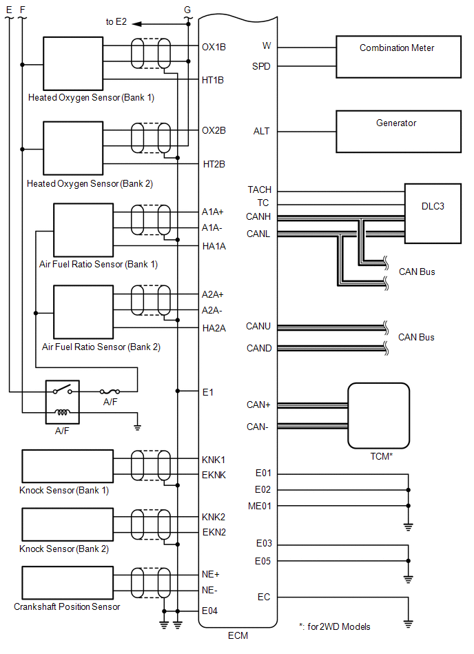
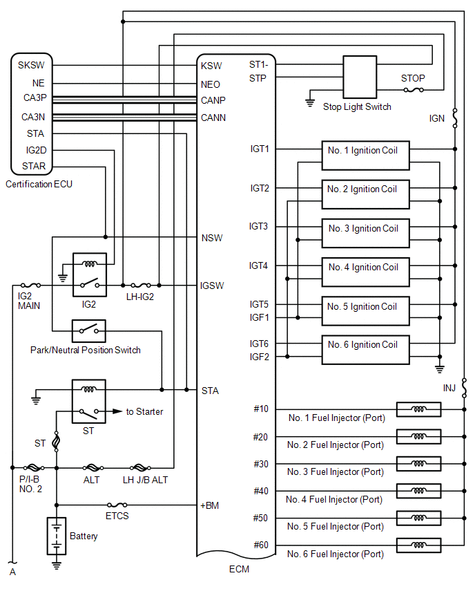
System Diagram [09/2014 - 10/2015]

WARNING: This page is about a different car, the 2015 Lexus GS 350. However, it is still accessible from the selected car via links, so may be relevant.
GTY647471Courtesy of © TOYOTA, LICENSE AGREEMENT TMS1002
GTY459360Courtesy of © TOYOTA, LICENSE AGREEMENT TMS1002
GTY404643Courtesy of © TOYOTA, LICENSE AGREEMENT TMS1002
GTY684428Courtesy of © TOYOTA, LICENSE AGREEMENT TMS1002