LEMON Manuals: Even more car manuals for everyone: 1960-2025
Home >> Lexus >> 2017 >> GS 350 Base, AWD >> Repair and Diagnosis >> Accessories & Equipment >> Anti-Theft Systems >> Power Door Lock Control System (Diagnostics - Introduction) >> Power Door Lock Control System >> System Diagram [09/2014 - ] >> System Diagram [09/2014 - ]
April 5, 2026: LEMON Manuals is launched! Read the announcement.

System Diagram [09/2014 - ]

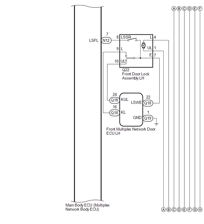
  1. SYSTEM DIAGRAM 
    GTY679121Courtesy of © TOYOTA, LICENSE AGREEMENT TMS1002
    COMMUNICATION TABLE

    Sender Receiver Signal Line
    Front multiplex network door ECU LH Main body ECU (multiplex network body ECU) Door lock position signal CAN
    Front multiplex network door ECU RH Main body ECU (multiplex network body ECU) Door lock position signal CAN
    Combination meter assembly Main body ECU (multiplex network body ECU) Vehicle speed signal CAN
    ECM Main body ECU (multiplex network body ECU) Shift position signal CAN
    Multiplex network master switch assembly Main body ECU (multiplex network body ECU) Driver side door manual lock switch signal LIN
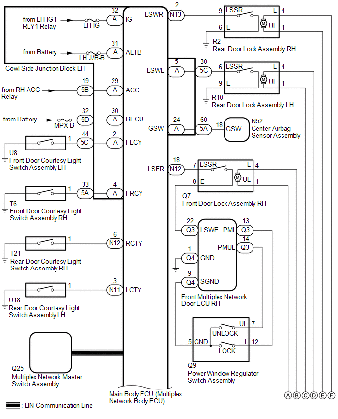
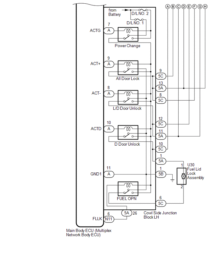
  2. WIRING DIAGRAM 
    1. This is a detailed diagram main body ECU (multiplex network body ECU) and cowl side junction block LH.
      GTY645013Courtesy of © TOYOTA, LICENSE AGREEMENT TMS1002
      GTY656401Courtesy of © TOYOTA, LICENSE AGREEMENT TMS1002
      GTY619317Courtesy of © TOYOTA, LICENSE AGREEMENT TMS1002