LEMON Manuals: Even more car manuals for everyone: 1960-2025
Home >> Lexus >> 2017 >> GS 350 Base, AWD >> Repair and Diagnosis >> Accessories & Equipment >> Infotainment >> Navigation System - Diagnostics - Introduction >> Navigation System >> System Description [10/2015 - 09/2017] >> System Description [10/2015 - 09/2017]
April 5, 2026: LEMON Manuals is launched! Read the announcement.

System Description [10/2015 - 09/2017]

  1. NAVIGATION SYSTEM OUTLINE 
    1. Vehicle position tracking methods:

      It is essential that the navigation system correctly tracks the current vehicle position and displays it on the map. There are 2 methods to track the current vehicle position: autonomous (dead reckoning) and GPS* (satellite) navigation. Both navigation methods are used in conjunction with each other.

      *: GPS (Global Positioning System)

      GTY645692Courtesy of © TOYOTA, LICENSE AGREEMENT TMS1002
      Operation Description
      Vehicle Position Calculation The multi-media module receiver assembly calculates the current vehicle position (direction and current position) using the direction deviation signal from the gyro sensor and driving distance signal from the vehicle speed sensor and creates the driving route.
      Map Display Processing The multi-media module receiver assembly processes the vehicle position data, vehicle driving track and map data from the SD card.
      Map Matching The map data from the SD card is compared to the vehicle position and driving track data. Then, the vehicle position is matched with the nearest road.
      GPS Correction The vehicle position is matched to the position measured by the GPS. Then, the GPS measurement position data is compared with the vehicle position and driving track data. If the position is very different, the GPS measurement position is used.
      Distance Correction The vehicle speed signal includes the error caused by tire wear and slippage between the tires and road surface. Distance correction is performed to account for this. The multi-media module receiver assembly automatically offsets the signal to make up for the difference between it and the distance data of the map. The offset is automatically updated.
      GTY661877Courtesy of © TOYOTA, LICENSE AGREEMENT TMS1002

      HINT: 

      The combination of autonomous and GPS navigation makes it possible to display the vehicle position even when the vehicle is in places where GPS signals cannot be received. When only autonomous navigation is used, however, the mapping accuracy may slightly decrease.

    2. Autonomous navigation

      This method determines the relative vehicle position based on the driving track determined by the gyro located in the multi-media module receiver assembly and the vehicle speed signal.

      1. Gyro sensor

        Used to calculate the direction by detecting angular velocity. It is located in the multi-media module receiver assembly.

      2. Vehicle speed signal

        Used to calculate the vehicle driving distance.

    3. GPS* navigation (Satellite navigation)

      This method detects the absolute vehicle position using radio waves from GPS satellites.

      *: GPS satellites were launched by the U.S. Department of Defense for military purposes.

      GTY548319Courtesy of © TOYOTA, LICENSE AGREEMENT TMS1002
      Number of Satellites Measurement Description
      2 or less Measurement is impossible Vehicle position cannot be obtained because the number of satellites is not enough.
      3 2-dimensional measurement is possible Vehicle position is obtained based on the current longitude and latitude. (This is less precise than 3-dimensional measurement.)
      4 3-dimensional measurement is possible Vehicle position is obtained based on the current longitude, latitude and altitude.
    4. Map matching

      The current driving route is calculated by autonomous navigation (according to the gyro sensor and vehicle speed signal) and GPS navigation. This information is then compared with possible road shapes from the map data in the SD card and the vehicle position is set onto the most appropriate road.

      GTY630022Courtesy of © TOYOTA, LICENSE AGREEMENT TMS1002
  2. REMOTE TOUCH OUTLINE 

    HINT: 

    • The navigation system is remotely controlled using the remote touch switch knob and switches.
    • The remote touch is equipped with a feedback force function.
    • When the remote touch switch knob is operated, the built-in 2-axis motors are controlled. The motors are used to provide feedback force for the knob according to the pointer operation displayed on the accessory meter assembly.
    • The feedback force of the remote touch allows the users to select icons easily when operating the navigation system.
    1. Remote Touch Switch Knob Operation
      GTY526969Courtesy of © TOYOTA, LICENSE AGREEMENT TMS1002
      TEXT IN ILLUSTRATION

      *a Example *b Longitudinal Axis
      *c Lateral Axis *d Switch Knob
      1. Movement of the pointer on the accessory meter assembly screen is synchronized with knob operation.

        HINT: 

        • During remote touch switch knob operation, the distance that the knob moves is sent to the multi-media module receiver assembly as operational coordinates. The range of operational coordinates for the lateral and longitudinal axes is between 0 and 255.
        • The accessory meter assembly also has operational coordinates that range from 0 to 255 for the lateral and longitudinal axes. The multi-media module receiver assembly displays the pointer according to the operational coordinates from the knob.
    2. Remote Touch Switch Knob Feedback Force
      GTY623585Courtesy of © TOYOTA, LICENSE AGREEMENT TMS1002
      TEXT IN ILLUSTRATION

      *a Example *b Display
      *c Feedback Force Image Screen *d Screen Image
      *e Feedback Force Image *f Pointer
      *g Movement Direction *h Feedback Force (When Providing Resistance)
      1. The remote touch has 2 built-in motors. These motors control both lateral and longitudinal axes and generate feedback force according to remote touch switch knob operation.

        HINT: 

        • There are 3 types of feedback force image areas (icons, frames and others) provided on the accessory meter assembly screen. The feedback force changes depending on the area.
        • The multi-media module receiver assembly sends a feedback force request signal to the remote touch according to the accessory meter assembly screen.
        • When the remote touch receives the feedback force request signal, the remote touch controls the motors and generates 3 types of feedback force according to the operation direction of the remote touch switch knob.
        • The strength of feedback force generated by the remote touch can be adjusted. Refer to Service Information for further information.
      2. Icon Area
        GTY527612Courtesy of © TOYOTA, LICENSE AGREEMENT TMS1002
        TEXT IN ILLUSTRATION

        *a Example *b Display
        *c Generated Feedback Force *d Switch Knob Operation
        *e Icon *f Force to Pull Pointer to Center of Icon
        *g Center of Icon *h Feedback Force

        HINT: 

        • When the pointer comes close to an icon area, force will be provided to pull the pointer toward the center of the icon area.
        • Stronger force is provided while driving than while parked.
      3. Frame Area
        GTY504045Courtesy of © TOYOTA, LICENSE AGREEMENT TMS1002
        TEXT IN ILLUSTRATION

        *a Example *b Frame Area
        *c Feedback Force - -

        HINT: 

        Frame areas are provided for the edges of all display screens. When the pointer comes close to the edge of the screen, force will be provided to move the pointer away from the edge of the screen.

      4. Other Area
        GTY664927Courtesy of © TOYOTA, LICENSE AGREEMENT TMS1002
        TEXT IN ILLUSTRATION

        *a Example *b Generated Feedback Force
        *c Switch Knob Operation (User Input) *d Fast Knob Operation (Strong Feedback)
        *e Slow Knob Operation (Weaker Feedback) *f Feedback Force

        HINT: 

        • When the pointer is in an area other than one of those specified, resistance will be provided that is proportional to the remote touch switch knob operation speed.
        • Stronger resistance is provided on the map screen than on other screens.
  3. DISC PLAYER OUTLINE 
    1. A disc player uses a laser pickup to read digital signals recorded on a disc. By converting the digital signals to analog, it can play music, video and audio.
      WARNING:

      Do not look directly at the laser pickup because the disc player uses an invisible laser beam. Be sure to operate the player only as instructed.

      NOTE:
      • Do not disassemble any part of the disc player.
      • Do not apply oil to the disc player.
      • Do not insert anything but a disc into the disc player.
    2. This player can play only audio CDs, CD-Rs (CD-Recordable) and CD-RWs (CD-ReWritable) that have any of the following marks:
      GTY101104Courtesy of © TOYOTA, LICENSE AGREEMENT TMS1002
    3. This player can play only DVD videos that have any of the following marks:
      GTY340730Courtesy of © TOYOTA, LICENSE AGREEMENT TMS1002
    4. This player can play only DVD-Rs (DVD-Recordable) and DVD-RWs (DVD-ReWritable) that were recorded in video format and that have any of the following marks:
      GTY462514Courtesy of © TOYOTA, LICENSE AGREEMENT TMS1002
    5. The following products may not be playable on your player.
      • SACD
      • DTS CD
      • Copy-protected CD
      • Super Video CD
      • DVD audio
      • DVD-RAM
    6. Precautions for use of discs
      NOTE:
      • CD-Rs, CD-RWs, DVD-Rs (DVD-Recordable) and DVD-RWs (DVD-ReWritable) may not be played depending on the recording conditions or characteristics of the discs, or due to damage, dirt or deterioration caused by leaving the discs in the cabin for a long time.
      • Unfinalized CD-Rs, CD-RWs, DVD-Rs (DVD-Recordable) and DVD-RWs (DVD-ReWritable) cannot be played.
      • CD-Rs, CD-RWs, DVD-Rs (DVD-Recordable) and DVD-RWs (DVD-ReWritable) are more easily affected by a hot and humid environment than discs used for normal audio CDs. For this reason, some CD-Rs and CD-RWs may not play.
      • If there are fingerprints or scratches on a disc, the disc may not play or the disc may skip.
      • Some CD-Rs, CD-RWs, DVD-Rs (DVD-Recordable) and DVD-RWs (DVD-ReWritable) may deteriorate if they are left in the cabin for a long time.
      • Keep CD-Rs, CD-RWs, DVD-Rs (DVD-Recordable) and DVD-RWs (DVD-ReWritable) in an opaque case.
      • SECAM color television standard discs cannot be played.
      • DualDiscs that mate DVD recorded material on one side with CD digital audio material on the other cannot be played.
      • Keep the discs away from dirt. Be careful not to damage the discs or leave fingerprints on them.
      • Hold discs by the outer edge and center hole with the label side up.
      • Leaving the disc exposed halfway out of the slot for a long time after pressing the disc eject button may cause deformation of the disc, making the disc unusable.
      • If discs have adhesive tape, stickers, disc labels or any traces of such labels attached, the discs may not be ejected or player malfunctions may result.
      • Keep the discs away from direct sunlight. (Exposure to direct sunlight may cause deformation of the disc, making the disc unusable.)
      • Do not use odd-shaped discs because these may cause player malfunctions.
      • Do not use discs whose recording portion is transparent or translucent because they may not be inserted, ejected or played normally.
      • Use only 4.7 in. (12 cm) discs.
      • Do not use 3 in. (8 cm) CDs either with or without adaptors.

      HINT: 

      • When it is cold or raining, if the windows fog up, mist and condensation may form in the player. In such cases, the disc may skip or stop in the middle of play. Ventilate or dehumidify the cabin for a while before using the player.
      • The disc may skip if the player experiences strong vibrations when the vehicle is driven on rough roads or similar uneven surfaces.
    7. Cleaning
      GTY248073Courtesy of © TOYOTA, LICENSE AGREEMENT TMS1002
      NOTE:

      Do not use a lens cleaner because it may cause a malfunction in the pickup portion of the player.

      1. If dirt is on the disc surface, wipe it clean with a soft dry cloth such as an eyeglass cleaner for plastic lenses from the inside to the outside in a radial direction.
        NOTE:
        • Pressing on the disc by hand or rubbing the disc with a hard cloth may scratch the disc surface.
        • Use of solvents such as record spray, antistatic agents, alcohol, benzine, thinners or a chemical cloth may cause damage to the disc, making the disc unusable.
  4. "Bluetooth" OUTLINE 
    GTY617190Courtesy of © TOYOTA, LICENSE AGREEMENT TMS1002
    TEXT IN ILLUSTRATION

    *1 Cellular Phone ("Bluetooth" compatible type) *2 Multi-media Module Receiver Assembly (Built-in "Bluetooth" receiver antenna)
    *3 Portable Audio Player ("Bluetooth" compatible type) - -
    *a Example *b Cellular Network
    *c "Bluetooth" Wireless Connection - -
    1. "Bluetooth" is a trademark owned by Bluetooth SIG, Inc.
    2. "Bluetooth" is a wireless connection technology that uses the 2.4 GHz frequency band.

      HINT: 

      The communication performance of "Bluetooth" may vary depending on obstructions or radio wave conditions between communication devices, electromagnetic radiation, communication device sensitivity or antenna capacity.

    3. Hands-free function
      1. The "Bluetooth" built-in multi-media module receiver assembly and a "Bluetooth" compatible cellular phone*1 can be connected using a "Bluetooth" wireless connection. This enables the use of the hands-free function on the cellular phone even if the phone is in a pocket or bag. For this reason, it is not necessary to use a connector or cable to connect the cellular phone.

        *1: Some versions of "Bluetooth" compatible cellular phones may not function.

      2. Compatible hands-free devices
        Required "Bluetooth" specifications Ver. 2.0 or higher (Ver. 3.0+EDR or higher recommended)
        Compatible profiles
        • HFP (Hands Free Profile) Ver. 1.0 or higher (Ver. 1.6 or higher recommended)*1
        • OPP (Object Push Profile) Ver. 1.1 or higher (Ver. 1.2 or higher recommended)*1
        • PBAP (Phone Book Access Profile) Ver. 1.0 or higher (Ver. 1.1 or higher recommended)*1
        • SPP (Serial Port Profile) Ver. 1.2 or higher*2
        • MAP (Message Access Profile) Ver. 1.0 or higher*3
        Maximum number of hands-free devices that can be registered (including audio devices) 5
        • *1: This profile is necessary when using the hands-free function.
        • *2: This profile is necessary when using the LEXUS App Suite function.
        • *3: This profile is necessary when using the message function.

        HINT: 

        • "Bluetooth" compatible cellular phone can be checked at http:// www.lexus.com/MobileLink/.
        • The amount of remaining battery charge displayed on the multi-media module receiver assembly may be different from that of the "Bluetooth" device.
    4. "Bluetooth" audio function
      1. The "Bluetooth" built-in multi-media module receiver assembly and a "Bluetooth" compatible portable audio player* can be connected using a "Bluetooth" wireless connection. This enables files stored in the portable audio player to be heard from the vehicle speakers. In addition, operations such as play/stop can be performed directly from the multi-media module receiver assembly.

        *: Some versions of "Bluetooth" compatible audio players may not be able to operate the "Bluetooth" function, or music may play, but functions available using the multi-media module receiver assembly may be limited.

      2. Compatible "Bluetooth" audio devices
        Required "Bluetooth" specifications Ver. 2.0 or higher (Ver. 3.0+EDR or higher recommended)
        Compatible profiles
        • A2DP (Advanced Audio Distribution Profile) Ver. 1.0 or higher (Ver. 1.3 or higher recommended)
        • AVRCP (Audio/Video Remote Control Profile) Ver. 1.0 or higher (Ver. 1.5 or higher recommended)
        Maximum number of audio devices that can be registered (including hands-free devices) 5

        HINT: 

        The amount of remaining battery charge displayed on the multi-media module receiver assembly may be different from that of the "Bluetooth" device.

  5. MOBILE ASSISTANT 
    1. With a compatible Apple device connected via Bluetooth, this function allows the system to interface directly with "Siri" for voice recognition functions. The user operates the steering pad switch assembly to start the Mobile Assistant function and issues voice commands.

      HINT: 

      "Siri" is a trademark of Apple Inc., registered in the U.S. and other countries.

  6. "HD Radio" FUNCTION OUTLINE (w/ HD Radio) 
    1. The "HD Radio" system is a radio system that broadcasts in the IBOC (In-Band On-Channel) form that the iBiquity Co. has developed. By expanding the bandwidth per channel of conventional FM/AM bands, digital audio and data signals are additionally transmitted. "HD Radio" technology is manufactured under license from iBiquity Digital Corporation. U.S. and Foreign Patents. "HD Radio" and the HD and HD Radio logos are proprietary trademarks of iBiquity Digital Corporation. Information for the music currently being listened to is stored in the system and can be transmitted to an "iPod" connected to the system. ("TAGGING") The information transferred to the "iPod" can be used for purchasing the music through the "iTunes" music store. Also, traffic and weather information can be received and displayed on the navigation screen.
  7. SDARS SYSTEM FUNCTION OUTLINE (w/ SDARS System) 
    1. Satellite Digital Audio Radio Service (SDARS) is a satellite digital radio broadcast provided by Sirius XM Radio Inc. The broadcast (pay-type) is performed through satellites and terrestrial repeater networks. Several unique channels are available, and even if a vehicle changes locations, the same information can be received without breaks. Information such as song names, broadcast station names, etc. can be received. Also, traffic information can be received and displayed on the navigation screen.
      NOTE:

      To receive audio-visual pay-type broadcasts, the customer must enter into a pay-type contract with XM Satellite Radio Inc. After entering into a contract, registration of the XM Radio ID is necessary. Also, if parts are replaced, the XM Radio ID must be re-registered.

  8. VEHICLE CUSTOMIZATION OUTLINE 
    1. Customization of functions can also be customized on the accessory meter assembly screen. Refer to Service Information for further information on customizable items for the navigation system.

      HINT: 

      • Items available for customization via the navigation system can also be customized by using the Techstream.
      • Some customize parameters displayed on the Techstream will be displayed on the "Vehicle Customization" screen for the navigation system. Users can customize these items.
  9. CUSTOMIZE STARTUP IMAGE OR SCREEN OFF IMAGE FUNCTION OUTLINE 
    1. An image can be copied from a USB device. The image can be used as the startup image or screen off image of the navigation system.
  10. RBDS FUNCTION OUTLINE (w/ RBDS Function) 
    1. The Radio Broadcast Data System (RBDS) is broadcast through conventional FM radio broadcasts. Information such as song names, traffic information, broadcast station names, etc. can be received.
  11. DIAGNOSTIC FUNCTION OUTLINE 
    1. The navigation system has a diagnostic function (the result is indicated on the master unit).
  12. COMMUNICATION SYSTEM 
    1. MOST Network Outline
      GTY496728Courtesy of © TOYOTA, LICENSE AGREEMENT TMS1002
      1. Navigation system components communicate with each other via the MOST network.
      2. The MOST network uses a shielded twisted pair of wires for its communication lines.
      3. The master unit of the MOST network is the multi-media module receiver assembly.
      4. MOST communication lines connect each slave unit centering around the master unit to form a MOST network ring.
      5. The master unit sends a wake-up signal to activate each slave unit connected to the MOST network.

        HINT: 

        If a short or open circuit occurs in the MOST circuit, communication will be interrupted and the system will not operate normally.

    2. AVC-LAN Outline
      GTY634564Courtesy of © TOYOTA, LICENSE AGREEMENT TMS1002
      1. Components of the navigation system communicate with each other via the AVC-LAN.
      2. The AVC-LAN uses a twisted pair of wires for its communication lines.
      3. The master unit of the AVC-LAN is the multi-media module receiver assembly.

        HINT: 

        • The multi-media module receiver assembly has the resistance (60 to 80 Ω) necessary for communication.
        • If a short or open circuit occurs in the AVC-LAN circuit, communication is interrupted and the system will not operate normally.
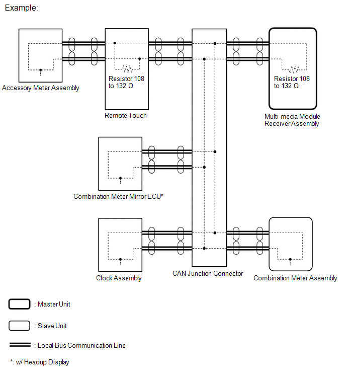
    3. Local Bus Outline
      GTY640169Courtesy of © TOYOTA, LICENSE AGREEMENT TMS1002
      1. Components of the navigation system communicate with each other via the local bus.
      2. The local bus uses a twisted pair of wires for its communication lines.
      3. The master unit of the local bus is the multimedia module receiver assembly.

        HINT: 

        • The multi-media module receiver assembly has the resistance (108 to 132 Ω) necessary for communication.
        • The remote touch has the resistance (108 to 132 Ω) necessary for communication.
        • If a short or open circuit occurs in the local bus circuit, communication is interrupted and the system will not operate normally.
    4. CAN Communication Outline
      1. The navigation system uses CAN communication between the multi-media module receiver assembly and ECUs.