LEMON Manuals: Even more car manuals for everyone: 1960-2025
Home >> Lexus >> 2017 >> GS 350 Base, AWD >> Repair and Diagnosis >> Accessories & Equipment >> Seats >> Front Power Seat Control System - Diagnostics - Introduction >> Front Power Seat Control System >> System Diagram [09/2014 - ] >> System Diagram [09/2014 - ]
April 5, 2026: LEMON Manuals is launched! Read the announcement.

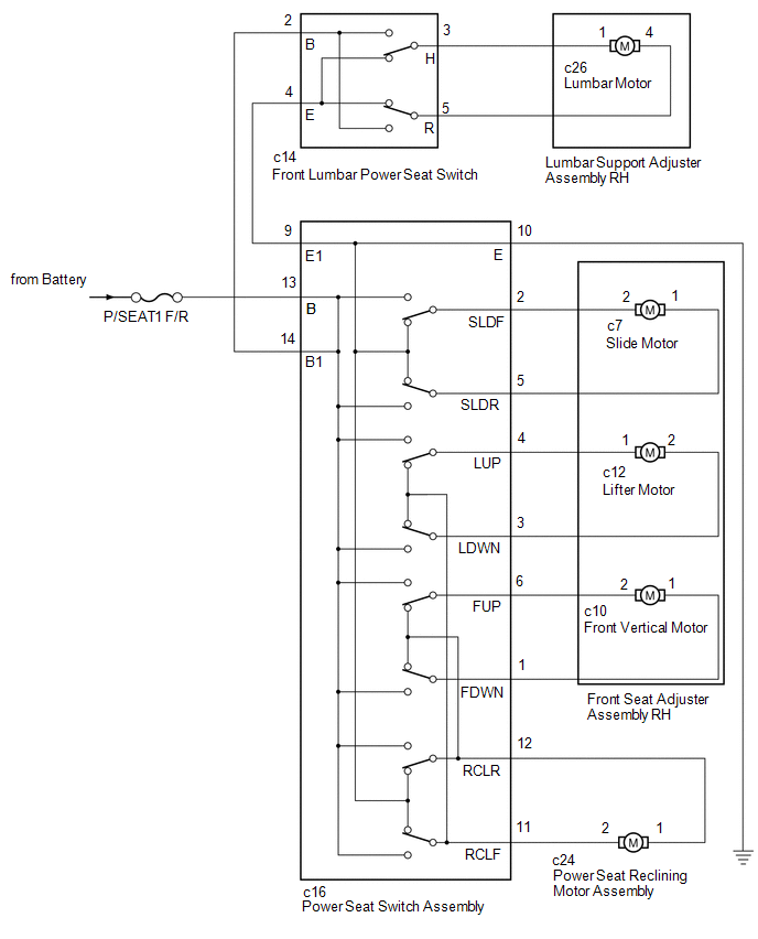
System Diagram [09/2014 - ]

  1. for Driver Side, Standard Seat Type: 
    GTY416585Courtesy of © TOYOTA, LICENSE AGREEMENT TMS1002
    COMMUNICATION TABLE

    Sender Receiver Signal Line
    Front Multiplex Network Door ECU LH Main Body ECU (Multiplex Network Body ECU)
    • M1 switch signal
    • M2 switch signal
    • M3 switch signal
    • SET switch signal
    CAN
    Main Body ECU (Multiplex Network Body ECU) Power Seat Switch Assembly
    • Park (P) state signal
    • Engine switch signal
    • Vehicle speed signal
    • Transmission information
    • Driving position buzzer request
    • Driver seat position request
    • Driver seat position data
    CAN
    Power Seat Switch Assembly Main Body ECU (Multiplex Network Body ECU)
    • State signal of driver seat
    • State signal of driving position buzzer
    CAN
  2. for Driver Side, Sports Seat Type, Luxury Seat Type: 
    GTY409133Courtesy of © TOYOTA, LICENSE AGREEMENT TMS1002
    COMMUNICATION TABLE

    Sender Receiver Signal Line
    Front Multiplex Network Door ECU LH Main Body ECU (Multiplex Network Body ECU)
    • M1 switch signal
    • M2 switch signal
    • M3 switch signal
    • SET switch signal
    CAN
    Main Body ECU (Multiplex Network Body ECU) Position Control ECU Assembly
    • Park (P) state signal
    • Engine switch signal
    • Vehicle speed signal
    • Transmission information
    • Driving position buzzer request
    • Driver seat position request
    • Driver seat position data
    CAN
    Position Control ECU Assembly Main Body ECU (Multiplex Network Body ECU)
    • State signal of driver seat
    • State signal of driving position buzzer
    CAN
  3. for Front Passenger Side, Standard Seat Type, Sports Seat Type: 
    GTY672136Courtesy of © TOYOTA, LICENSE AGREEMENT TMS1002
  4. for Front Passenger Side, Luxury Seat Type: 
    GTY409135Courtesy of © TOYOTA, LICENSE AGREEMENT TMS1002
    COMMUNICATION TABLE

    Sender Receiver Signal Line
    Front Multiplex Network Door ECU RH Position Control ECU Assembly
    • M1 switch signal
    • M2 switch signal
    • M3 switch signal
    • SET switch signal
    CAN
    Main Body ECU (Multiplex Network Body ECU) Position Control ECU Assembly
    • Park (P) state signal
    • Engine switch signal
    • Vehicle speed signal
    • Transmission information
    • Driving position buzzer request
    • Passenger seat position request
    • Passenger seat position data
    CAN
    Position Control ECU Assembly Main Body ECU (Multiplex Network Body ECU)
    • State signal of driver seat
    • State signal of driving position buzzer
    CAN