LEMON Manuals: Even more car manuals for everyone: 1960-2025
Home >> Lexus >> 2017 >> GS F >> Repair and Diagnosis >> Steering >> Steering Column >> Steering Lock System - Diagnostic Codes And Symptom Tests >> Steering Lock System >> Symptom Tests >> Steering Lock does not Lock [10/2015 - ] >> Wiring Diagram
April 5, 2026: LEMON Manuals is launched! Read the announcement.

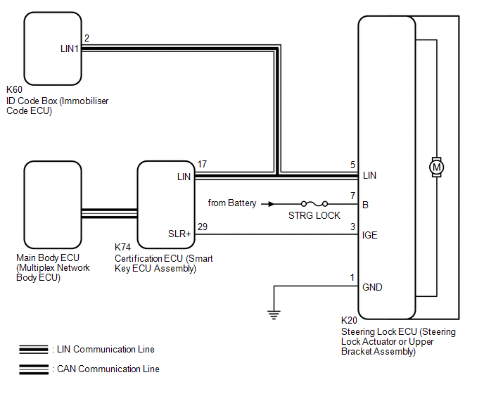
Steering Lock does not Lock [10/2015 - ]: Wiring Diagram

GTY636151Courtesy of © TOYOTA, LICENSE AGREEMENT TMS1002