LEMON Manuals: Even more car manuals for everyone: 1960-2025
Home >> Lexus >> 2017 >> GX 460 Base >> Repair and Diagnosis >> Accessories & Equipment >> Entertainment Systems >> LEXUS ENFORM System (Diagnostics - Introduction) >> LEXUS ENFORM System >> System Diagram [08/2018 - 08/2019] >> System Diagram [08/2018 - 08/2019]
April 5, 2026: LEMON Manuals is launched! Read the announcement.

System Diagram [08/2018 - 08/2019]

Fig 1: Lexus Enform System Wiring Diagram (1 Of 3)
GTY795588Courtesy of © TOYOTA, LICENSE AGREEMENT TMS1002
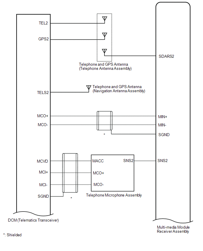
Fig 2: Lexus Enform System Wiring Diagram (2 Of 3)
GTY802839Courtesy of © TOYOTA, LICENSE AGREEMENT TMS1002
Fig 3: Lexus Enform System Wiring Diagram (3 Of 3)
GTY803041Courtesy of © TOYOTA, LICENSE AGREEMENT TMS1002