LEMON Manuals: Even more car manuals for everyone: 1960-2025
Home >> Lexus >> 2017 >> GX 460 Base >> Repair and Diagnosis >> Body & Frame >> Seats >> Power Seat Control System (Front) (Diagnostics - Introduction) >> Front Power Seat Control System >> System Diagram [08/2015 - ] >> System Diagram [08/2015 - ]
April 5, 2026: LEMON Manuals is launched! Read the announcement.

System Diagram [08/2015 - ]

Fig 1: Front Power Seat Control System Diagram [08/2015 - ]
GTY1092474Courtesy of © TOYOTA, LICENSE AGREEMENT TMS1002
COMMUNICATION TABLE

Sender Receiver Signal Line
ECM Main Body ECU
  • Shift position P signal
  • Transmission information signal
CAN
Certification ECU Main Body ECU
  • Memory call replay request signal
  • Key identification No. 1 to No. 7 acquisition condition signal
CAN
Main Body ECU Front Power Seat Switch LH
  • Driver seat position request signal
  • Driver seat position data signal
  • Driver's position buzzer request signal
  • Driver seat return and away position data signal
  • Shift position P signal
  • Transmission information signal
CAN
Outer Mirror Control ECU Assembly LH Main Body ECU
  • Seat memory switch M1 signal
  • Seat memory switch M2 signal
  • Seat memory switch SET signal
CAN
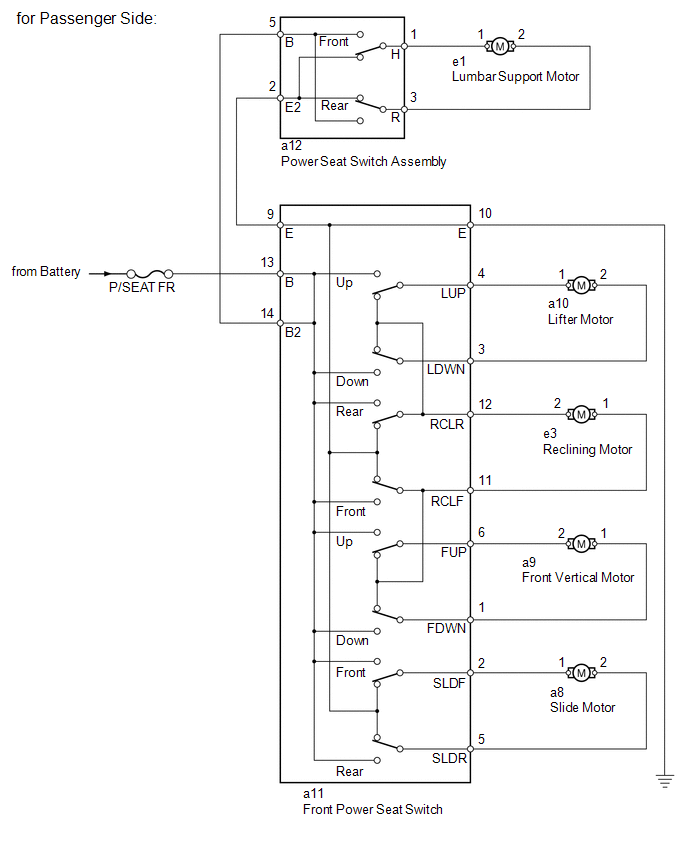
Fig 2: Front Power Seat Switch Circuit Wiring Diagram
GTY351845Courtesy of © TOYOTA, LICENSE AGREEMENT TMS1002