LEMON Manuals: Even more car manuals for everyone: 1960-2025
Home >> Lexus >> 2017 >> GX 460 Base >> Repair and Diagnosis >> Engine Performance >> Testing & Diagnosis >> Engine Control System (Circuit Tests) (2 Of 2) >> SFI System >> VC Output Circuit [08/2015 - 08/2019] >> Wiring Diagram
April 5, 2026: LEMON Manuals is launched! Read the announcement.

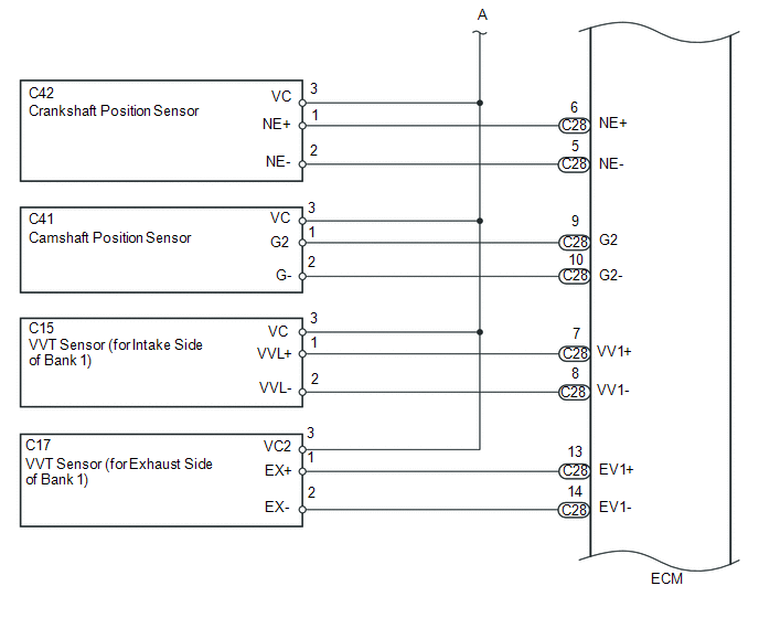
VC Output Circuit [08/2015 - 08/2019]: Wiring Diagram

GTY616911Courtesy of © TOYOTA, LICENSE AGREEMENT TMS1002
GTY625057Courtesy of © TOYOTA, LICENSE AGREEMENT TMS1002
GTY464706Courtesy of © TOYOTA, LICENSE AGREEMENT TMS1002