LEMON Manuals: Even more car manuals for everyone: 1960-2025
Home >> Lexus >> 2017 >> IS 200t Base >> Repair and Diagnosis >> Accessories & Equipment >> Drivers Assistance Systems - ADAS >> Blind Spot Monitor System - Diagnostics - Introduction >> Blind Spot Monitor System >> System Diagram [10/2016 - 09/2020] >> System Diagram [10/2016 - 09/2020]
April 5, 2026: LEMON Manuals is launched! Read the announcement.

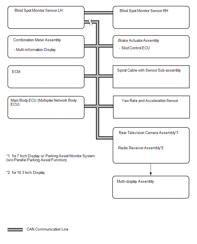
System Diagram [10/2016 - 09/2020]

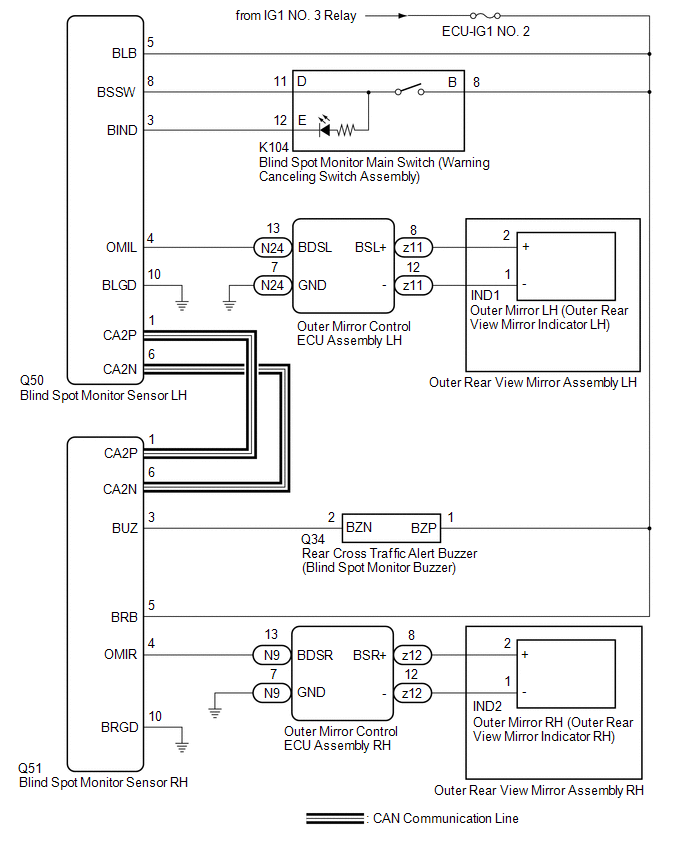
  1. w/ Seat Memory 
    GTY681781Courtesy of © TOYOTA, LICENSE AGREEMENT TMS1002
    GTY653540Courtesy of © TOYOTA, LICENSE AGREEMENT TMS1002
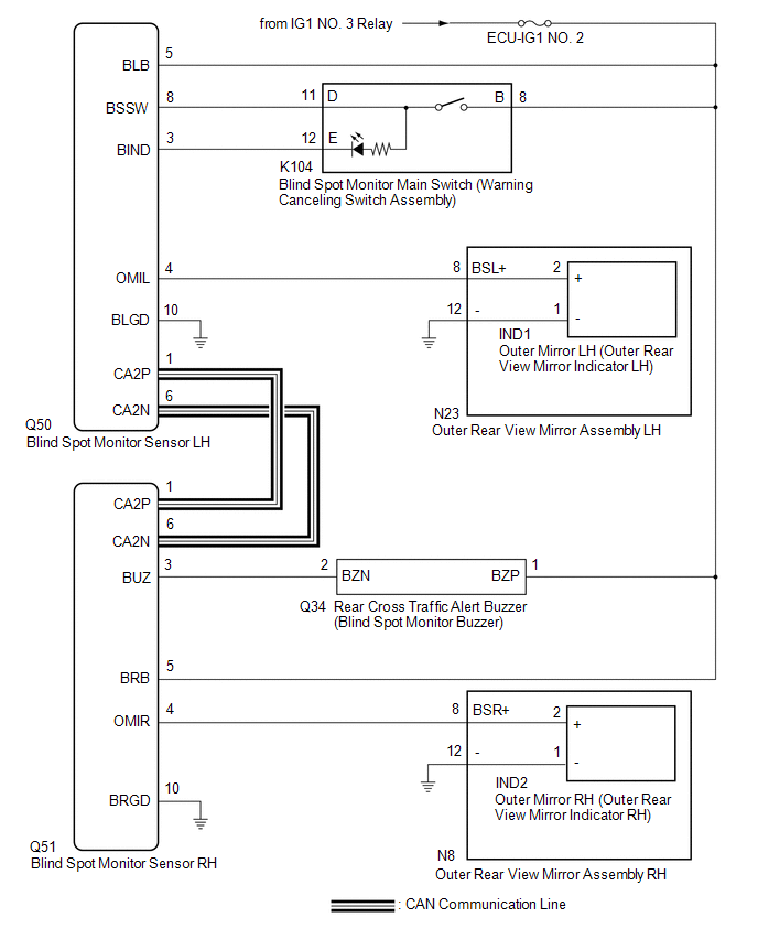
  2. w/o Seat Memory 
    GTY685447Courtesy of © TOYOTA, LICENSE AGREEMENT TMS1002
    GTY653540Courtesy of © TOYOTA, LICENSE AGREEMENT TMS1002