LEMON Manuals: Even more car manuals for everyone: 1960-2025
Home >> Lexus >> 2017 >> IS 300 Base >> Repair and Diagnosis >> Restraints >> Restraints Control Systems >> Pre-Collision System - Diagnostic Codes (2 Of 2) & Circuit Tests >> Pre-Collision System >> DTC C1A4B: Stop Light Relay Circuit [10/2017 - 09/2020] >> Wiring Diagram
April 5, 2026: LEMON Manuals is launched! Read the announcement.

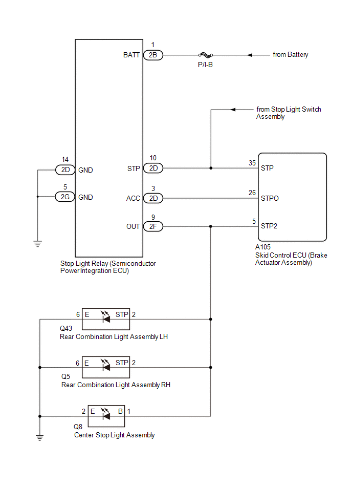
DTC C1A4B: Stop Light Relay Circuit [10/2017 - 09/2020]: Wiring Diagram

GTY789753Courtesy of © TOYOTA, LICENSE AGREEMENT TMS1002