LEMON Manuals: Even more car manuals for everyone: 1960-2025
Home >> Lexus >> 2017 >> LS 460 Base, AWD >> Repair and Diagnosis >> Engine Performance >> Testing & Diagnosis >> Engine Control System - Diagnostic Codes (P0300-P1367) >> SFI System >> DTC P0705: Transmission Range Sensor Circuit (PRNDL Input) [09/2015 - ] >> Wiring Diagram
April 5, 2026: LEMON Manuals is launched! Read the announcement.

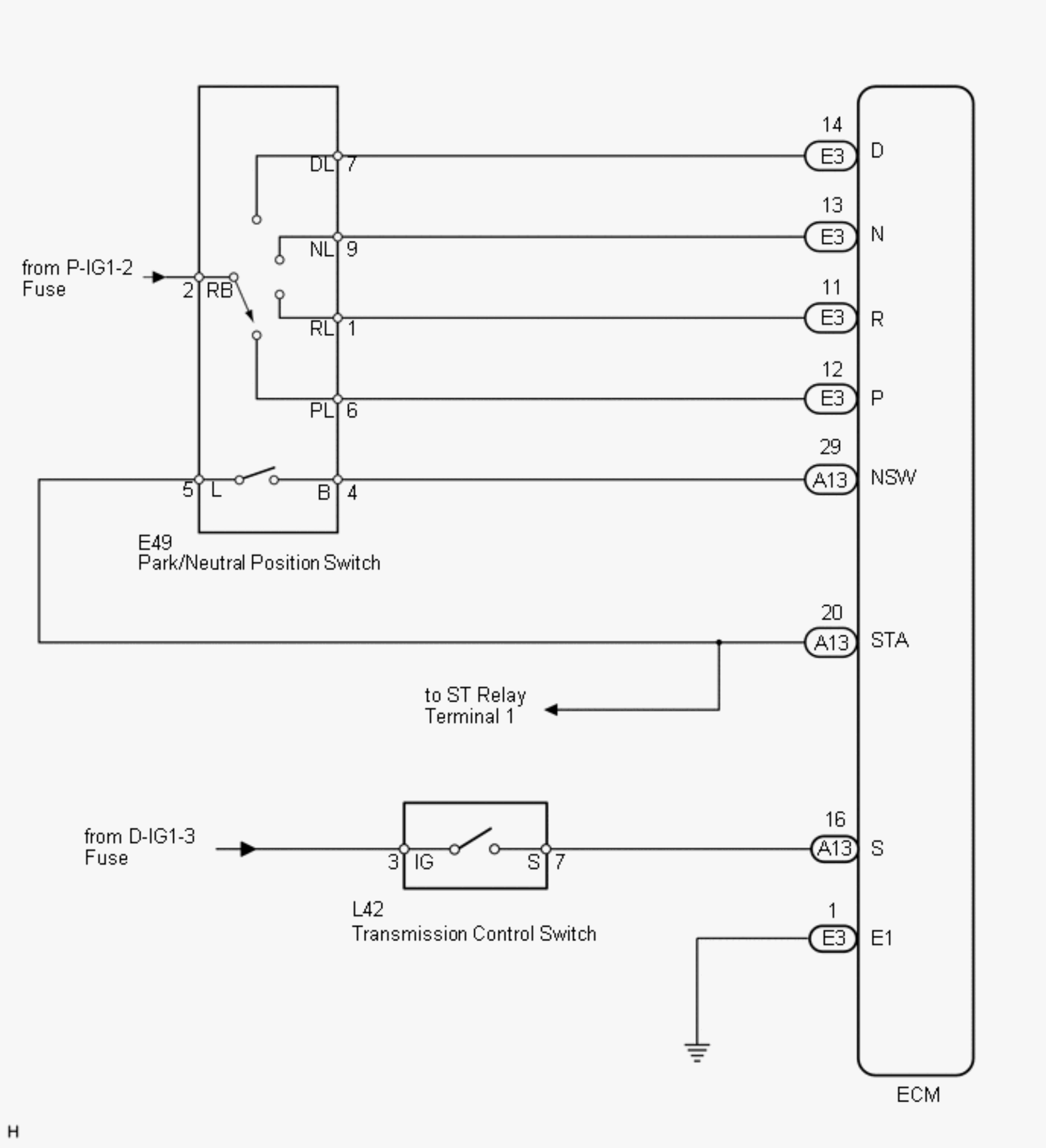
DTC P0705: Transmission Range Sensor Circuit (PRNDL Input) [09/2015 - ]: Wiring Diagram

Fig 1: Park / Neutral Switch Circuit Diagram
GTY647358Courtesy of © TOYOTA, LICENSE AGREEMENT TMS1002