LEMON Manuals: Even more car manuals for everyone: 1960-2025
Home >> Lexus >> 2017 >> NX 200t Base, AWD >> Repair and Diagnosis >> Engine Performance >> System >> Engine Control System - Circuit Tests & Symptom Tests (2 Of 2) >> SFI System >> Fuel Pump Control Circuit [10/2014 - 09/2017] >> Wiring Diagram
April 5, 2026: LEMON Manuals is launched! Read the announcement.

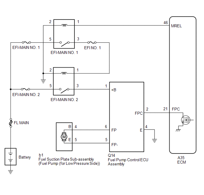
Fuel Pump Control Circuit [10/2014 - 09/2017]: Wiring Diagram

GTY515063Courtesy of © TOYOTA, LICENSE AGREEMENT TMS1002