LEMON Manuals: Even more car manuals for everyone: 1960-2025
Home >> Lexus >> 2017 >> NX 200t Base, FWD >> Repair and Diagnosis >> Restraints >> Restraints Control Systems >> Pre-Collision System - Diagnostic Codes & Circuit Tests >> Pre-Collision System >> DTC C1A4B: Stop Light Relay Circuit [09/2017 - 05/2019] >> Wiring Diagram
April 5, 2026: LEMON Manuals is launched! Read the announcement.

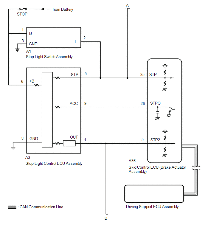
DTC C1A4B: Stop Light Relay Circuit [09/2017 - 05/2019]: Wiring Diagram

GTY781042Courtesy of © TOYOTA, LICENSE AGREEMENT TMS1002
GTY836451Courtesy of © TOYOTA, LICENSE AGREEMENT TMS1002
GTY781995Courtesy of © TOYOTA, LICENSE AGREEMENT TMS1002