LEMON Manuals: Even more car manuals for everyone: 1960-2025
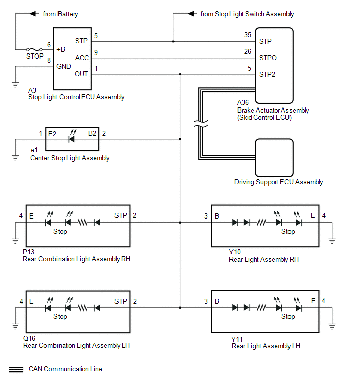
Home >> Lexus >> 2017 >> NX 200t Base, FWD >> Repair and Diagnosis >> Restraints >> Restraints Control Systems >> Pre-Collision System - Diagnostic Codes & Circuit Tests >> Pre-Collision System >> DTC C1A4B: Stop Light Relay Circuit [10/2014 - 09/2017] >> Wiring Diagram
April 5, 2026: LEMON Manuals is launched! Read the announcement.

DTC C1A4B: Stop Light Relay Circuit [10/2014 - 09/2017]: Wiring Diagram

GTY671604Courtesy of © TOYOTA, LICENSE AGREEMENT TMS1002