LEMON Manuals: Even more car manuals for everyone: 1960-2025
Home >> Lexus >> 2017 >> RC 300 Base >> Repair and Diagnosis >> Body & Frame >> Door Locks >> Smart Access System (For Start) - Symptom Tests >> SMART ACCESS SYSTEM WITH PUSH-BUTTON START (for Start Function) >> Power Source Mode does not Change to ON (IG and ACC) [11/2017 - ] >> Wiring Diagram
April 5, 2026: LEMON Manuals is launched! Read the announcement.

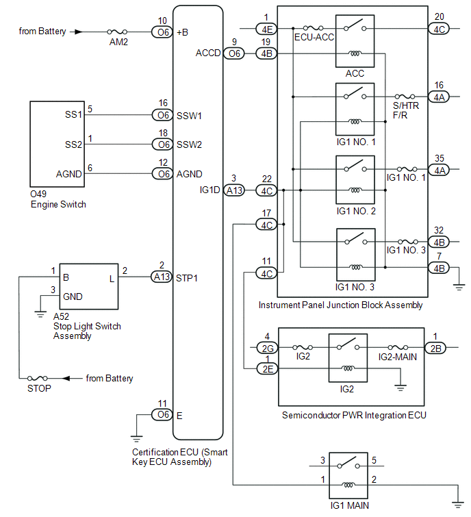
Power Source Mode does not Change to ON (IG and ACC) [11/2017 - ]: Wiring Diagram

GTY516694Courtesy of © TOYOTA, LICENSE AGREEMENT TMS1002