LEMON Manuals: Even more car manuals for everyone: 1960-2025
Home >> Lexus >> 2017 >> RC 300 Base >> Repair and Diagnosis >> Brakes >> Traction Control >> Vehicle Stability Control System - Diagnostic Codes (3 Of 5) >> Vehicle Stability Control System >> DTC C1413: Front Speed Sensor RH Circuit Output; DTC C1414: Front Speed Sensor LH Circuit Output [11/2017 - 09/2020] >> Wiring Diagram
April 5, 2026: LEMON Manuals is launched! Read the announcement.

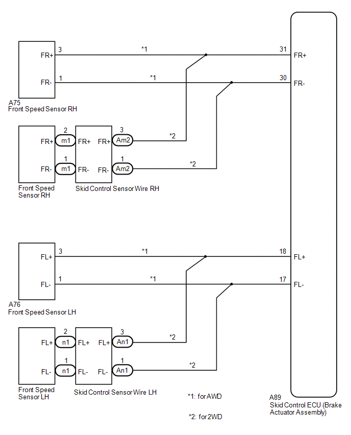
DTC C1413: Front Speed Sensor RH Circuit Output; DTC C1414: Front Speed Sensor LH Circuit Output [11/2017 - 09/2020]: Wiring Diagram

GTY775911Courtesy of © TOYOTA, LICENSE AGREEMENT TMS1002