LEMON Manuals: Even more car manuals for everyone: 1960-2025
Home >> Lexus >> 2017 >> RC 300 F Sport >> Repair and Diagnosis >> Engine Performance >> System >> Engine Control System (2GR-FSE) - Diagnostics - Introduction (1 Of 3) >> SFI System >> System Diagram [10/2015 - 11/2017] >> System Diagram [10/2015 - 11/2017]
April 5, 2026: LEMON Manuals is launched! Read the announcement.

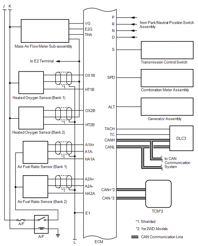
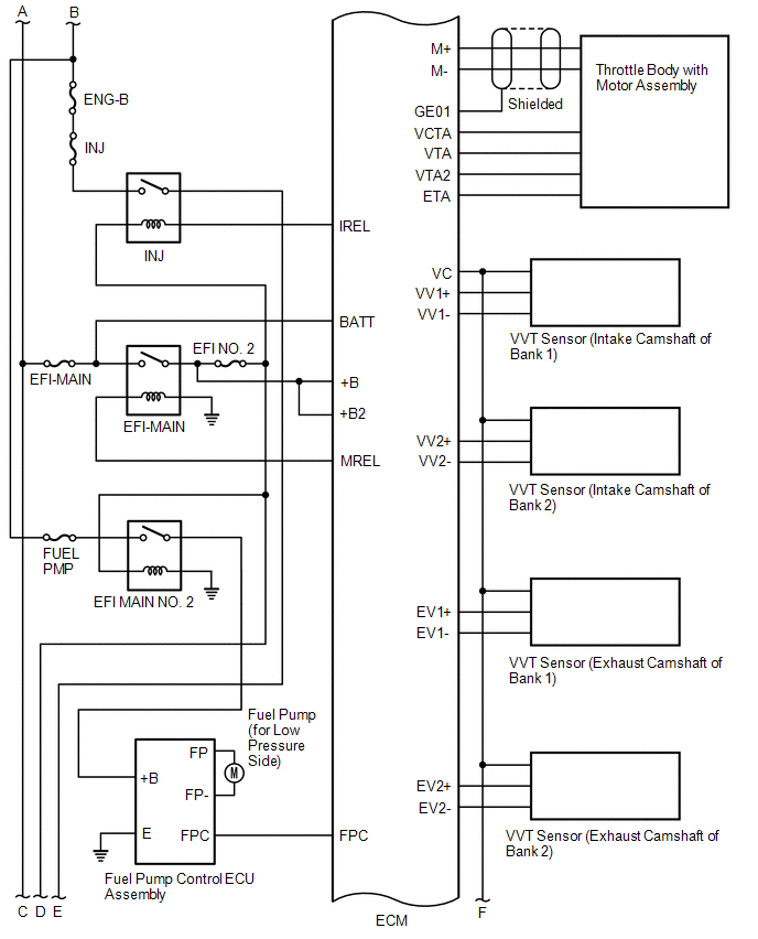
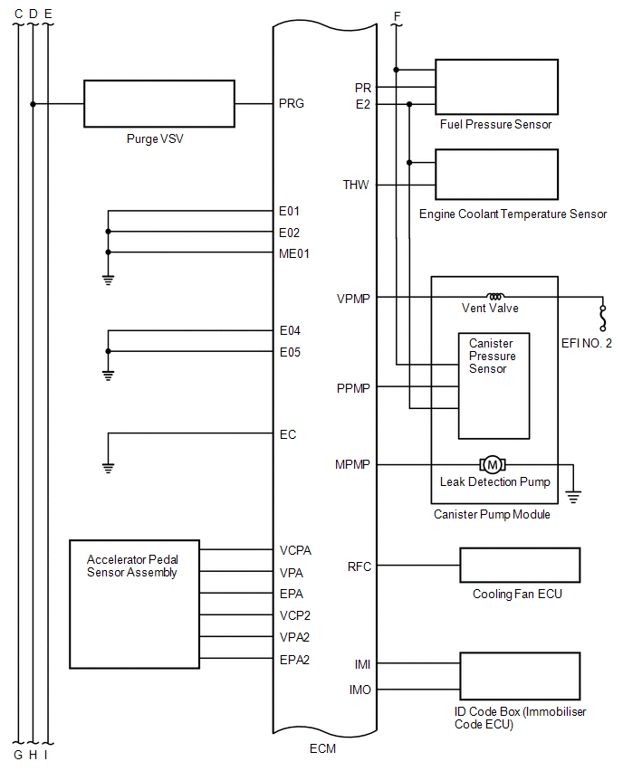
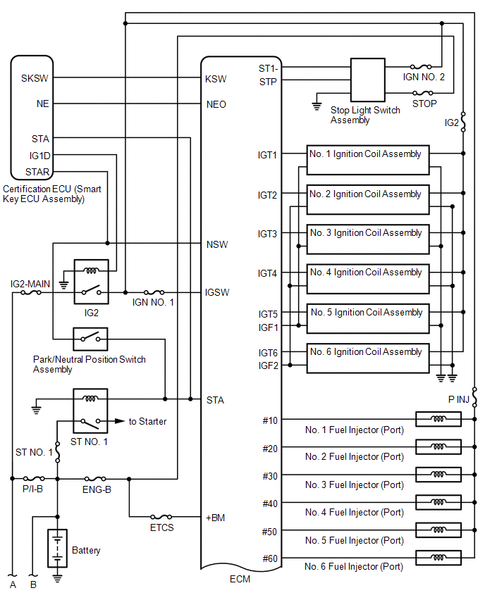
System Diagram [10/2015 - 11/2017]

GTY616624Courtesy of © TOYOTA, LICENSE AGREEMENT TMS1002
GTY665082Courtesy of © TOYOTA, LICENSE AGREEMENT TMS1002
GTY497832Courtesy of © TOYOTA, LICENSE AGREEMENT TMS1002
GTY466768Courtesy of © TOYOTA, LICENSE AGREEMENT TMS1002
GTY515837Courtesy of © TOYOTA, LICENSE AGREEMENT TMS1002
GTY506829Courtesy of © TOYOTA, LICENSE AGREEMENT TMS1002