LEMON Manuals: Even more car manuals for everyone: 1960-2025
Home >> Lexus >> 2017 >> RC 350 Base, AWD >> Repair and Diagnosis >> Body & Frame >> Door Locks >> Smart Access System (For Start) - Symptom Tests >> SMART ACCESS SYSTEM WITH PUSH-BUTTON START (for Start Function) >> Engine does not Start [10/2022 - ] >> Wiring Diagram
April 5, 2026: LEMON Manuals is launched! Read the announcement.

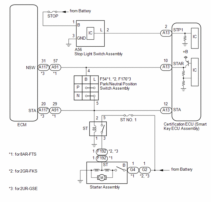
Engine does not Start [10/2022 - ]: Wiring Diagram

GTY1138242Courtesy of © TOYOTA, LICENSE AGREEMENT TMS1002