LEMON Manuals: Even more car manuals for everyone: 1960-2025
Home >> Lexus >> 2017 >> RC 350 Base, RWD >> Repair and Diagnosis >> Body & Frame >> Door Locks >> Wireless Door Lock Control System - Diagnostics - Introduction >> Wireless Door Lock Control System >> System Diagram [09/2014 - 09/2020] >> System Diagram [09/2014 - 09/2020]
April 5, 2026: LEMON Manuals is launched! Read the announcement.

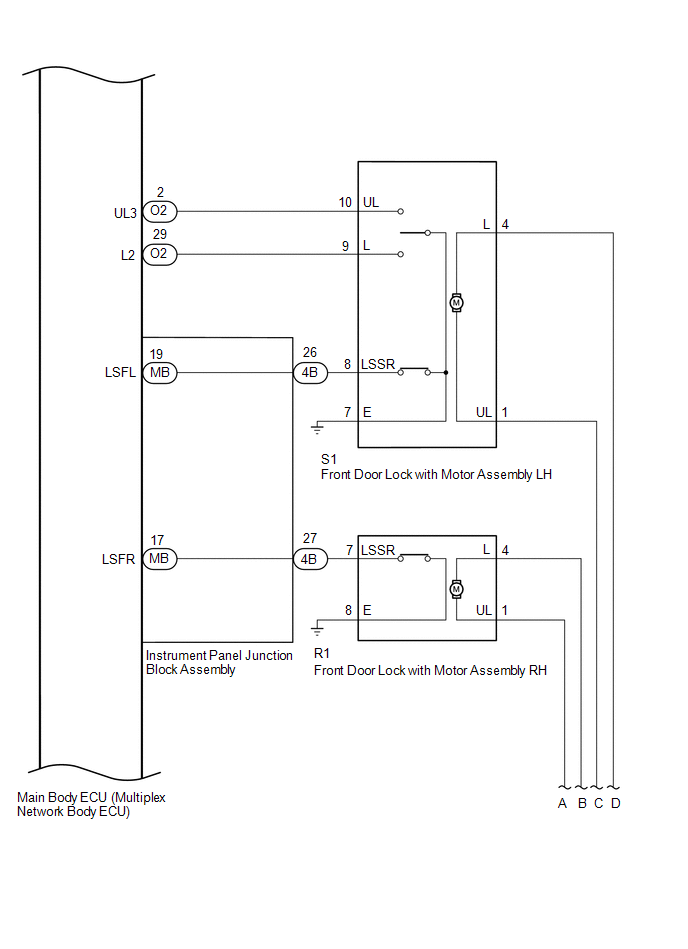
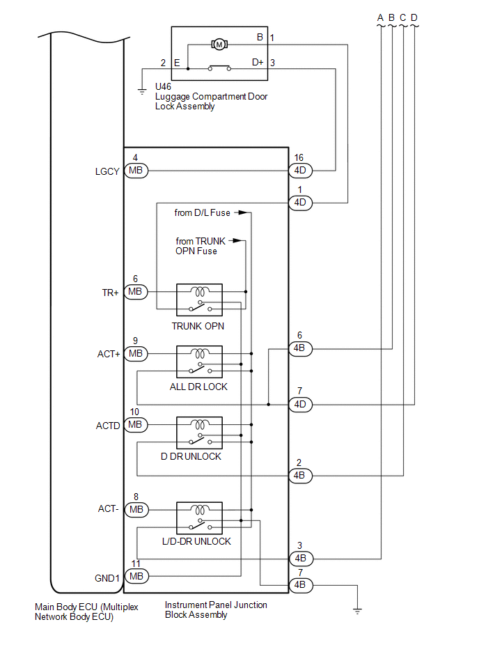
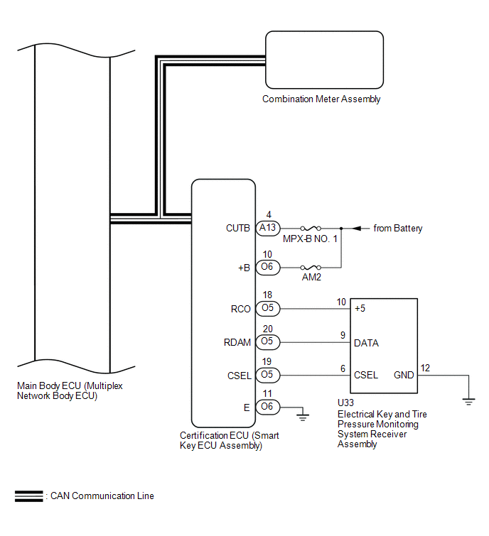
System Diagram [09/2014 - 09/2020]

  1. Wireless Door Lock Control System 
    GTY507939Courtesy of © TOYOTA, LICENSE AGREEMENT TMS1002
    GTY514699Courtesy of © TOYOTA, LICENSE AGREEMENT TMS1002
    GTY501405Courtesy of © TOYOTA, LICENSE AGREEMENT TMS1002
    GTY495890Courtesy of © TOYOTA, LICENSE AGREEMENT TMS1002
    COMMUNICATION TABLE

    Sender Receiver Signal Line
    Certification ECU
    (Smart Key ECU Assembly)
    Main Body ECU
    (Multiplex Network Body ECU)
    • Wireless door lock/unlock signal
    • Wireless door lock buzzer sound request signal
    CAN
    Main Body ECU
    (Multiplex Network Body ECU)
    Combination Meter Assembly Wireless door lock hazard warning light request signal CAN