LEMON Manuals: Even more car manuals for everyone: 1960-2025
Home >> Lexus >> 2017 >> RX 350 Base, AWD >> Repair and Diagnosis >> Body & Frame >> Windows >> Power Window Control System - Diagnostic Codes & Symptom Tests >> Power Window Control System >> Front Passenger Side Power Window does not Operate with Front Passenger Side Power Window Switch [09/2015 - ] >> Wiring Diagram
April 5, 2026: LEMON Manuals is launched! Read the announcement.

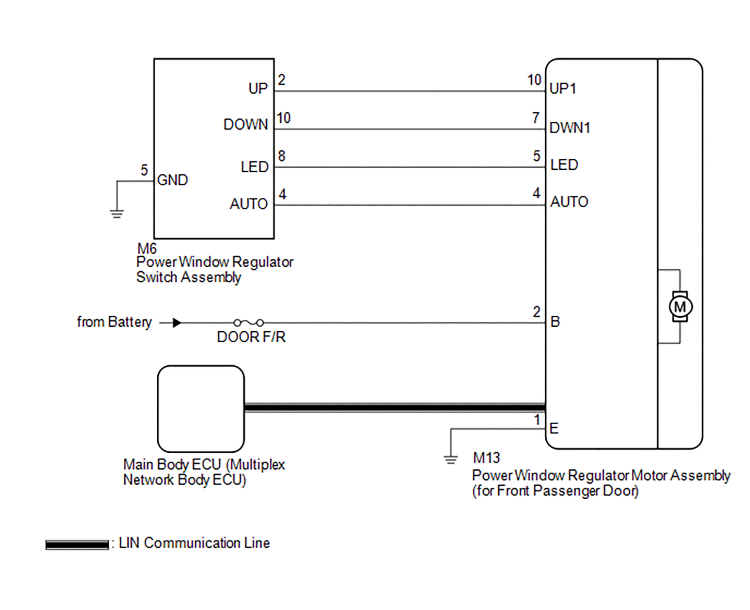
Front Passenger Side Power Window does not Operate with Front Passenger Side Power Window Switch [09/2015 - ]: Wiring Diagram

GTY632840Courtesy of © TOYOTA, LICENSE AGREEMENT TMS1002