LEMON Manuals: Even more car manuals for everyone: 1960-2025
Home >> Lexus >> 2017 >> RX 350 Base, AWD >> Repair and Diagnosis >> Engine Performance >> Testing & Diagnosis >> Engine Control System - Diagnostics - Introduction (1 Of 5) >> SFI System >> System Diagram [08/2019 - ] >> System Diagram [08/2019 - ]
April 5, 2026: LEMON Manuals is launched! Read the announcement.

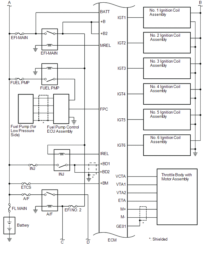
System Diagram [08/2019 - ]

GTY638364Courtesy of © TOYOTA, LICENSE AGREEMENT TMS1002
GTY947267Courtesy of © TOYOTA, LICENSE AGREEMENT TMS1002
GTY948681Courtesy of © TOYOTA, LICENSE AGREEMENT TMS1002
GTY629737Courtesy of © TOYOTA, LICENSE AGREEMENT TMS1002
GTY947899Courtesy of © TOYOTA, LICENSE AGREEMENT TMS1002