LEMON Manuals: Even more car manuals for everyone: 1960-2025
Home >> Lexus >> 2017 >> RX 350 Base, AWD >> Repair and Diagnosis >> Transmission >> Transfer Case >> Dynamic Torque Control AWD System - Diagnostic Codes & Circuit Tests >> Dynamic Torque Control AWD System >> DTC C1337/91: Diameter of the Tire is not Uniform [09/2015 - 08/2019] >> Wiring Diagram
April 5, 2026: LEMON Manuals is launched! Read the announcement.

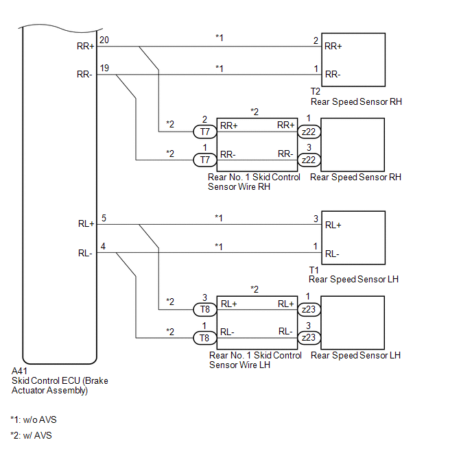
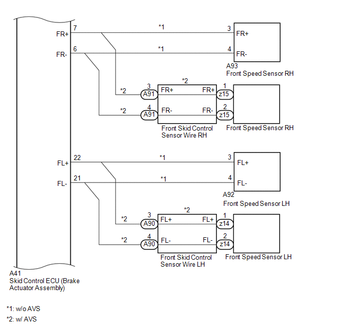
DTC C1337/91: Diameter of the Tire is not Uniform [09/2015 - 08/2019]: Wiring Diagram

GTY664122Courtesy of © TOYOTA, LICENSE AGREEMENT TMS1002
GTY633203Courtesy of © TOYOTA, LICENSE AGREEMENT TMS1002
GTY798532Courtesy of © TOYOTA, LICENSE AGREEMENT TMS1002