LEMON Manuals: Even more car manuals for everyone: 1960-2025
Home >> Lexus >> 2018 >> LS 500h AWD >> Repair and Diagnosis >> Engine Performance >> Testing & Diagnosis >> Engine Control System - Diagnostics - Introduction (1 Of 6) >> SFI System >> System Diagram [10/2017 - 09/2019] >> System Diagram [10/2017 - 09/2019]
April 5, 2026: LEMON Manuals is launched! Read the announcement.

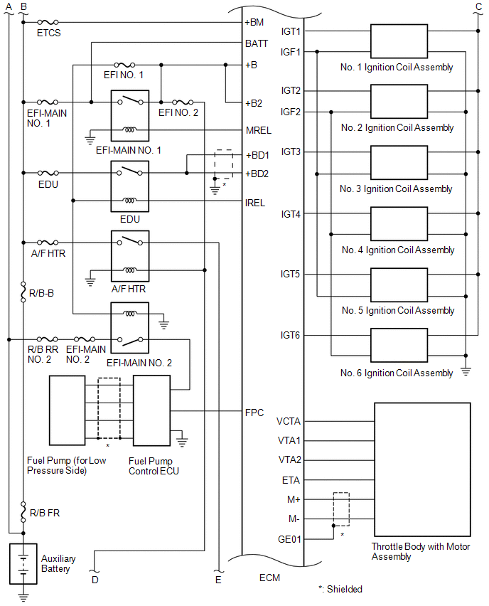
System Diagram [10/2017 - 09/2019]

GTY785750Courtesy of © TOYOTA, LICENSE AGREEMENT TMS1002
GTY791766Courtesy of © TOYOTA, LICENSE AGREEMENT TMS1002
GTY797345Courtesy of © TOYOTA, LICENSE AGREEMENT TMS1002
GTY806019Courtesy of © TOYOTA, LICENSE AGREEMENT TMS1002
GTY812684Courtesy of © TOYOTA, LICENSE AGREEMENT TMS1002