LEMON Manuals: Even more car manuals for everyone: 1960-2025
Home >> Lexus >> 2018 >> RX 450h Base >> Repair and Diagnosis >> Steering >> Power Steering >> Power Steering System (Diagnostics - Introduction) >> Power Steering System >> System Diagram [10/2015 - 08/2019] >> System Diagram [10/2015 - 08/2019]
April 5, 2026: LEMON Manuals is launched! Read the announcement.

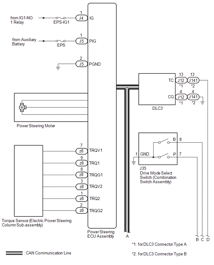
System Diagram [10/2015 - 08/2019]

Fig 1: Power Steering System Diagram [10/2015 - 08/2019] (1 Of 2)
GTY1086544Courtesy of © TOYOTA, LICENSE AGREEMENT TMS1002
Fig 2: Power Steering System Diagram [10/2015 - 08/2019] (2 Of 2)
GTY678258Courtesy of © TOYOTA, LICENSE AGREEMENT TMS1002