LEMON Manuals: Even more car manuals for everyone: 1960-2025
Home >> Lexus >> 2019 >> GS 350 Base, AWD >> Repair and Diagnosis >> Accessories & Equipment >> Cruise Control Systems >> Forward Recognition Camera System (Diagnostics) (Introduction) >> Forward Recognition Camera System >> System Diagram [10/2015 - ] >> System Diagram [10/2015 - ]
April 5, 2026: LEMON Manuals is launched! Read the announcement.

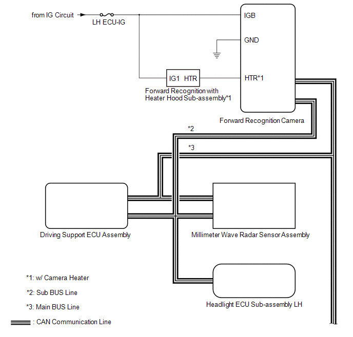
System Diagram [10/2015 - ]

GTY809702Courtesy of © TOYOTA, LICENSE AGREEMENT TMS1002
GTY802484Courtesy of © TOYOTA, LICENSE AGREEMENT TMS1002
COMMUNICATION TABLE

Sender Receiver Signal Line
Forward Recognition Camera Main Body ECU (Multiplex Network Body ECU) Automatic high beam control signal CAN
Driving Support ECU Assembly Forward Recognition Camera PCS control information signal CAN
ECM
  • Shift position signal (P, R, N, D)
  • Engine type information signal
  • Vehicle specification information (2WD/4WD information, conventional/ hybrid information)
  • Cruise control system control signal
CAN
Main Body ECU (Multiplex Network Body ECU) Vehicle specification information (destination) CAN
Brake Actuator Assembly (Skid Control ECU)
  • Vehicle speed signal
  • Vehicle yaw rate sensor zero point malfunction signal
  • Vehicle stability control system operation signal
  • Vehicle stability control system malfunction signal
CAN
Yaw Rate Sensor Vehicle yaw rate sensor signal CAN