LEMON Manuals: Even more car manuals for everyone: 1960-2025
Home >> Lexus >> 2019 >> GX 460 Luxury >> Repair and Diagnosis >> Engine Performance >> System >> Engine Control System (Diagnostic Codes) (1 Of 7) >> SFI System >> DTC P0112: Intake Air Temperature Circuit Low Input; DTC P0113: Intake Air Temperature Circuit High Input [08/2015 - ] >> Procedure
April 5, 2026: LEMON Manuals is launched! Read the announcement.

DTC P0112: Intake Air Temperature Circuit Low Input; DTC P0113: Intake Air Temperature Circuit High Input [08/2015 - ]: Procedure

  1. READ VALUE USING TECHSTREAM (INTAKE AIR) 
    1. Connect the Techstream to the DLC3.
    2. Turn the engine switch on (IG).
    3. Turn the Techstream on.
    4. Enter the following menus: Powertrain / Engine and ECT / Data List / Intake Air.
    5. Read the value displayed on the Techstream.

      OK

      Same as actual intake air temperature.

      RESULT

      Result Proceed to
      -40°C (-40°F) A
      140°C (284°F) or higher B
      Same as actual intake air temperature C

      HINT: 

      • If there is an open circuit, the Techstream indicates -40°C (-40°F).
      • If there is a short circuit, the Techstream indicates 140°C (284°F) or higher.

    Result: 

    See step  4

    Result: 

    CHECK FOR INTERMITTENT PROBLEMS 

    (Refer to CHECK FOR INTERMITTENT PROBLEMS [08/2015 - ] )

    Result: 

    See step  2

  2. READ VALUE USING TECHSTREAM (CHECK FOR OPEN IN WIRE HARNESS) 
    GTY631249Courtesy of © TOYOTA, LICENSE AGREEMENT TMS1002
    1. Disconnect the mass air flow meter connector.
    2. Connect terminals 4 (THA) and 5 (E2) of the mass air flow meter wire harness side connector.
    3. Connect the Techstream to the DLC3.
    4. Turn the engine switch on (IG).
    5. Turn the Techstream on.
    6. Enter the following menus: Powertrain / Engine and ECT / Data List / Intake Air.
    7. Read the value displayed on the Techstream.

      Standard value

      140°C (284°F) or higher

      TEXT IN ILLUSTRATION

      *1 Mass air flow meter assembly
      *2 ECM
      *a Front view of wire harness connector
      (to Mass Air Flow Meter Assembly)

      HINT: 

      Perform "Inspection After Repairs" after replacing the mass air flow meter (Refer to INITIALIZATION [08/2015 - ] ).

    Result: 

    OK 

    CONFIRM GOOD CONNECTION TO SENSOR. IF OK, REPLACE MASS AIR FLOW METER ASSEMBLY 

    (Refer to REMOVAL [08/2015 - ] )

    Result: 

    NG 

    See step  3

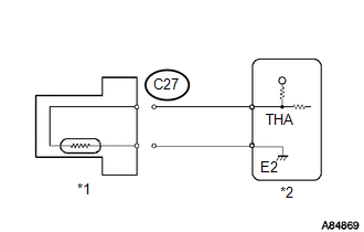
  3. CHECK HARNESS AND CONNECTOR (MASS AIR FLOW METER - ECM) 
    1. Disconnect the mass air flow meter connector.
    2. Disconnect the ECM connector.
    3. Measure the resistance according to the value(s) in the table below.

      Standard Resistance

      Tester Connection Condition Specified Condition
      C27-4 (THA) - C29-15 (THA) Always Below 1 Ω
      C27-5 (E2) - C29-7 (E2) Always Below 1 Ω

    Result: 

    OK 

    CONFIRM GOOD CONNECTION TO ECM. IF OK, REPLACE ECM 

    (Refer to REMOVAL [08/2015 - ] )

    Result: 

    NG 

    REPAIR OR REPLACE HARNESS OR CONNECTOR 

  4. READ VALUE USING TECHSTREAM (CHECK FOR SHORT IN WIRE HARNESS) 
    GTY616231Courtesy of © TOYOTA, LICENSE AGREEMENT TMS1002
    1. Disconnect the mass air flow meter connector.
    2. Connect the Techstream to the DLC3.
    3. Turn the engine switch on (IG).
    4. Turn the Techstream on.
    5. Enter the following menus: Powertrain / Engine and ECT / Data List / Intake Air.
    6. Read the value displayed on the Techstream.

      Standard value

      -40°C (-40°F)

      TEXT IN ILLUSTRATION

      *1 Mass Air Flow Meter Assembly
      *2 ECM

      HINT: 

      Perform "Inspection After Repairs" after replacing the mass air flow meter (Refer to INITIALIZATION [08/2015 - ] ).

    Result: 

    OK 

    REPLACE MASS AIR FLOW METER ASSEMBLY 

    (Refer to REMOVAL [08/2015 - ] )

    Result: 

    NG 

    See step  5

  5. CHECK HARNESS AND CONNECTOR (MASS AIR FLOW METER - ECM) 
    1. Disconnect the mass air flow meter connector.
    2. Disconnect the ECM connector.
    3. Measure the resistance according to the value(s) in the table below.

      Standard Resistance

      Tester Connection Condition Specified Condition
      C27-4 (THA) or C29-15 (THA) - Body ground Always 10 kΩ or higher

    Result: 

    OK 

    REPLACE ECM 

    (Refer to REMOVAL [08/2015 - ] )

    Result: 

    NG 

    REPAIR OR REPLACE HARNESS OR CONNECTOR