LEMON Manuals: Even more car manuals for everyone: 1960-2025
Home >> Lexus >> 2019 >> LC 500 >> Repair and Diagnosis (Single Page) >> External Pages >> Different car >> Section 163 (Power Window Control System - Diagnostics - Introduction) >> Power Window Control System >> System Diagram [04/2013 - ] >> System Diagram [04/2013 - ]
April 5, 2026: LEMON Manuals is launched! Read the announcement.

System Diagram [04/2013 - ]

WARNING: This page does not describe the selected car, but rather 27 other vehicles, including the 2024 Lexus IS 500, 2024 Lexus IS 350, 2024 Lexus IS 300, 2023 Lexus IS 500, and 2023 Lexus IS 350. However, it is still accessible from the selected car via links, so may be relevant.
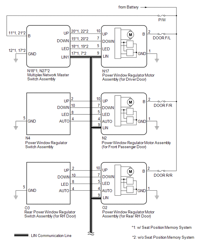
Fig 1: Power Window Control System Diagram (1 Of 3)
GTY466718Courtesy of © TOYOTA, LICENSE AGREEMENT TMS1002
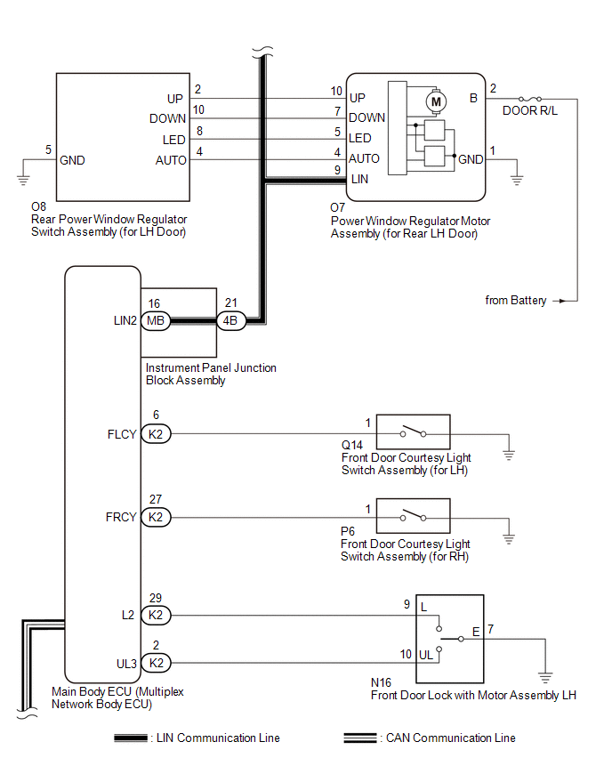
Fig 2: Power Window Control System Diagram (2 Of 3)
GTY458672Courtesy of © TOYOTA, LICENSE AGREEMENT TMS1002
Fig 3: Power Window Control System Diagram (3 Of 3)
GTY456848Courtesy of © TOYOTA, LICENSE AGREEMENT TMS1002
COMMUNICATION TABLE

Transmitting ECU Receiving ECU Signal Communication Method
Multiplex Network Master Switch Assembly Power Window Regulator Motor Assembly (for Driver Door) Power window auto up and down signal LIN
  • Power Window Regulator Motor Assembly (for Front Passenger Door)
  • Power Window Regulator Motor Assembly (for Rear LH Door)
  • Power Window Regulator Motor Assembly (for Rear RH Door)
Power window remote up and down signal LIN
Main Body ECU (Multiplex Network Body ECU)
  • Power Window Regulator Motor Assembly (for Driver Door)
  • Power Window Regulator Motor Assembly (for Front Passenger Door)
  • Power Window Regulator Motor Assembly (for Rear LH Door)
  • Power Window Regulator Motor Assembly (for Rear RH Door)
Power window operation permission signal LIN
Certification ECU (Smart Key ECU Assembly) Main Body ECU (Multiplex Network Body ECU) Wireless power window operation signal CAN
Main Body ECU (Multiplex Network Body ECU) Combination Meter Assembly Window open warning request signal CAN